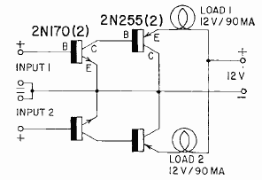
En la figura tenemos un circuito antiguo para controlar dos lámparas de bajo consumo. El circuito es de la revista Radio Electronics de mayo de 1960 y se puede aplicar a LED y utilizar transistores modernos.

En la figura tenemos un circuito antiguo para controlar dos lámparas de bajo consumo. El circuito es de la revista Radio Electronics de mayo de 1960 y se puede aplicar a LED y utilizar transistores modernos.
