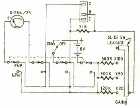
Este circuito de prueba de transistores comercial utiliza una batería de 6 V y un indicador analógico de 2 mA. El circuito está en la revista Radio Electronics de marzo de 1958.

Este circuito de prueba de transistores comercial utiliza una batería de 6 V y un indicador analógico de 2 mA. El circuito está en la revista Radio Electronics de marzo de 1958.
