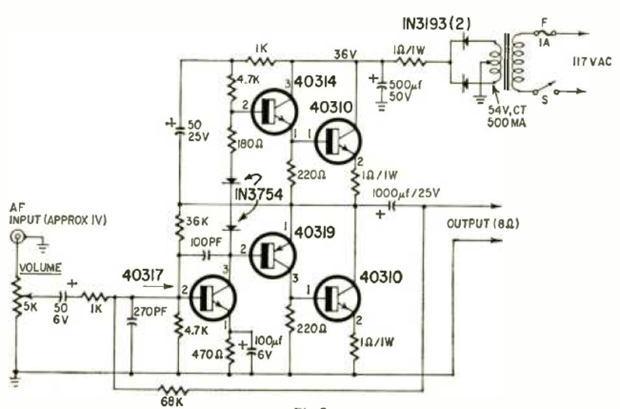
Este amplificador de transistores se publicó en la revista Radio Electronics en julio de 1965. Utilizaba transistores de silicio recién lanzados con excelente calidad de sonido.
Antes, del advenimiento del transistor se podía hacer una radio con amplificación para la señal...
Objetivo: Accionar de modo selectivo dos lámparas indicadoras (u otros dispositivos tales como...
Aumente la intensidad del sonido de su bocina piezoeléctrica con el circuito que presentamos. Este oscilador...