Con el circuito mostrado se puede controlar lo accionamiento de tres LEDs, colocados en un panel remoto, utilizando sólo dos cables de conexión. Con esto, se puede utilizar el circuito en un sistema de señalización o advertencia, como se muestra en la Figura 1.

El uso de LEDs potentes facilita enormemente el montaje del circuito con un gran efecto visual que es seguro para satisfacer los objetivos básicos del proyecto.
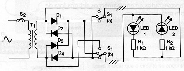
El circuito se basa en el hecho de que un LED es nada más que un diodo y por lo tanto conduce corriente en una dirección.
Por lo tanto, en la posición del interruptor 1 solamente LED1 se polariza en sentido directo (dada la presencia de D1) y sólo se ilumina. En la posición 2 es el LED2 a encender y, finalmente, en la posición 3 hacemos un voltaje de corriente alterna se envía al panel de control remoto y que los dos LED se encienden.
La implementación del circuito completo se muestra en la Figura 2.

Los pequeños LEDs y otros componentes de circuito pueden montarse como se muestra en la Figura 3.

Los cables de interconexión entre la estación de control y la estación receptora (terminal) pueden ser de hasta 50 metros de largo y deben ser aislados por razones de seguridad.
La polaridad de los diodos LED y debe ser observado y el transformador es de 6 V de secundaria con cualquier corriente de entre 150 y 300 mA.
Una versión de este circuito mediante la sustitución de los LEDs por pequeñas bombillas de 6 V 50 mA se muestra en la Figura 4.

Los diodos pueden ser 1N4002 o equivalente voltaje más alto.
D1 a D4 - 1N4002 o equivalente - diodo de silicio
LED1, LED2 - LEDs comunes de alto brillo de cualquier color
T1 - con primaria del transformador de acuerdo con la red local y secundaria de 6 V x 150 a 300 mA
S1 – llave 1 x 3
S2 - Interruptor sencillo
Varios:
Panel de montaje caja para LED, cables, soldadura, cable de alimentación, etc.



