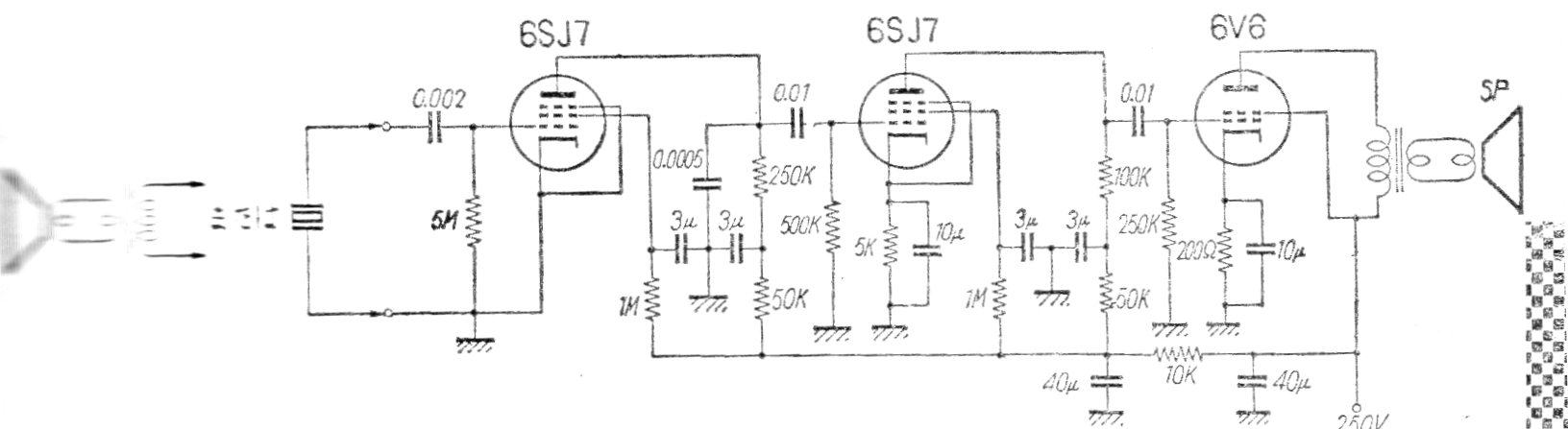
Este circuito simple de algunos watts no incluye la fuente de alimentación. Se puede utilizar con un micrófono dinámico de baja impedancia. El circuito es de una publicación japonesa de 1955.
Cuando aprieta el gatillo (S1) y el relé abre y cierra los contactos rápidamente produciendo un ruido...
Encontramos este circuito en una documentación francesa antigua. El transistor usado es poco común...
Para mostrar las posibilidades que las placas de circuitos impresos universal ofrecen a los...