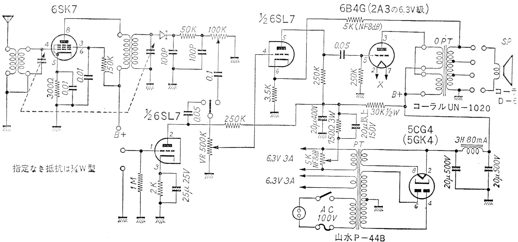
Encontramos este circuito de receptor para la banda de AM en una documentación de los años 60. El circuito receptor es simple con un solo paso de conversión y el amplificador de pequeña potencia proporciona algunos watts. El circuito incluye una entrada para tocadiscos.




