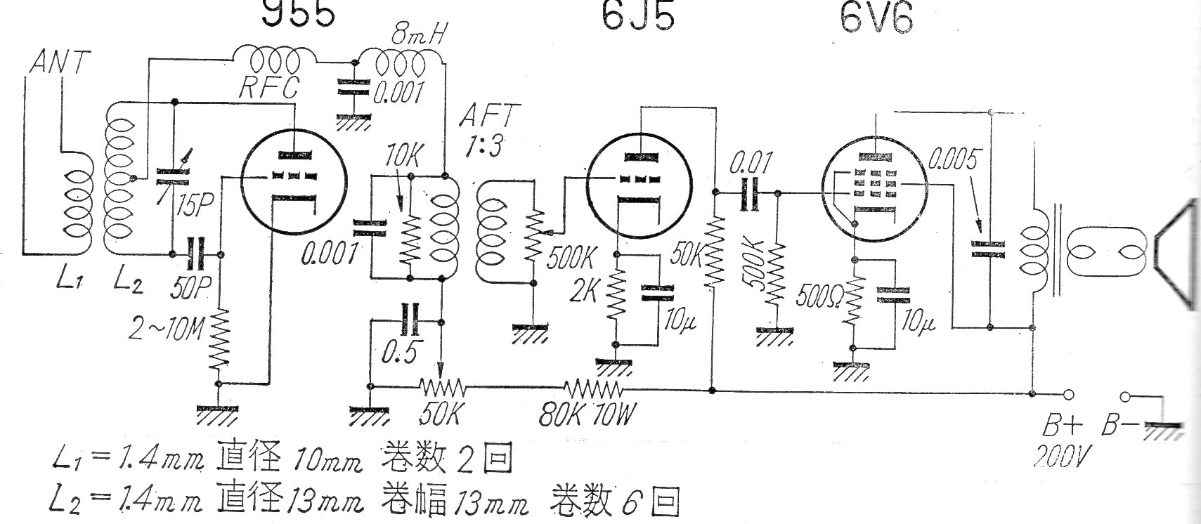
Este receptor para el rango de 50 MHz se encontró en una publicación japonesa de los años 50. El circuito no incluye la fuente de alimentación y los datos de las bobinas se suministran junto al diagrama.
Cuando aprieta el gatillo (S1) y el relé abre y cierra los contactos rápidamente produciendo un ruido...
Encontramos este circuito en una documentación francesa antigua. El transistor usado es poco común...
Para mostrar las posibilidades que las placas de circuitos impresos universal ofrecen a los...