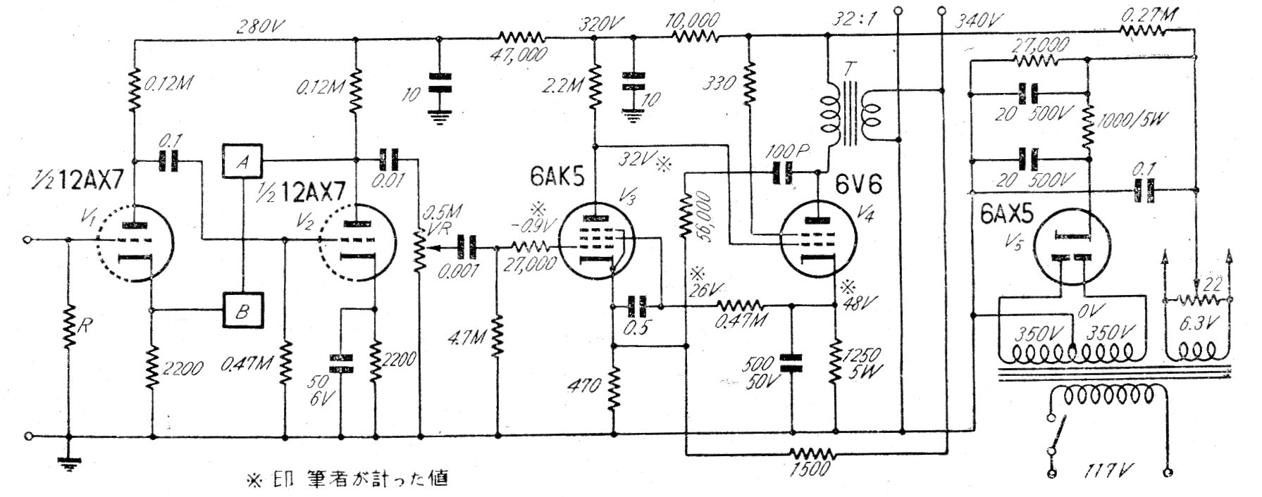
Este amplificador de excelente calidad fue encontrado en una traducción japonesa de 1955 de la revista americana Radio Experimenter's Magazine. El circuito de 4 válvulas es monofónico. Una de las válvulas es doble y la salida es con una sola válvula.




