Este pequeño transmisor puede operar en frecuencias entre 3 y 7 MHz, emitiendo señales telegráficas para la práctica de código Morse o incluso comunicaciones a cortas y medias distancias. El circuito puede ser alimentado con tensiones de 3 a 9 V y, dependiendo de la antena, su alcance podrá superar algunos cientos de metros. Se trata de un montaje experimental para los que estudian o les gusta la radiotransmisión.
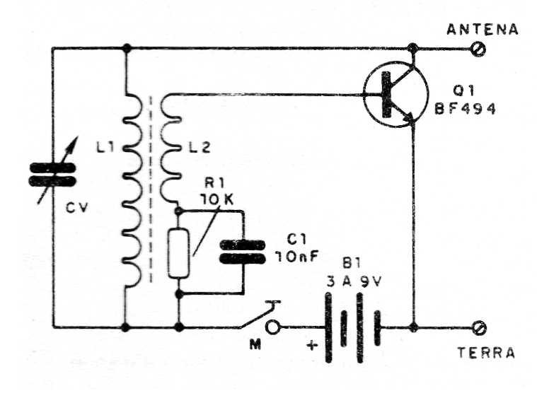
Como podemos ver por el diagrama, tenemos un oscilador con el transistor BF494 o equivalente como el 2N2218, para mayor alcance. La resistencia de base debe ser obtenida experimentalmente entre 2k2 y 10k, eligiéndose lo que resulte en mejor rendimiento.
En la figura 1 tenemos el diagrama completo del transmisor.
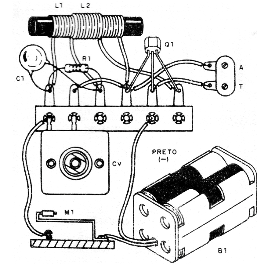
El montaje puede realizarse experimentalmente en la matriz de contactos o en puente de terminales. Para el puente de terminales damos a disposición de los componentes en la figura 2.
Las bobinas se deben enrollar en un bastón de ferrita de 1 cm de diámetro y de 10 a 30 cm de longitud de la siguiente manera:
L1- 30 espiras de alambre esmaltado 28 AWG
L2 - 10 espiras del mismo hilo sobre L1
Las puntas de las bobinas deben rasparse los puntos de soldadura. Si el circuito no funciona en el primer intento, invierte las conexiones de una de las bobinas.
La alimentación se puede realizar con pilas o fuentes. No recomendamos el uso de la batería de 9 V, ya que el consumo es alto para este tipo de fuente, m causando su rápido desgaste.
El transistor puede ser el BF494 o incluso equivalentes de RF y de media potencia como el BD135, 2N2222, etc.
El manipulador puede ser fabricado con dos planchas de metal que se deben tocar cuando apretamos el botón. La antena puede ser un hilo estirado cuya longitud puede variar entre 1 y 20 metros. Una conexión a tierra aumentará bastante el rendimiento.
Para experimentar y operar el aparato conecte en las proximidades una radio de onda corta, sintonizando alguna frecuencia libre entre 3 y 7 MHz. Ajuste CV, una variable de radio transistorizada, hasta captar la señal. Para operar utilice el Código Morse (ver en el sitio).
Lista de material
Q1 - BF494 - transistores NPN de RF
M1- Manipulador
L1, L2 - Bobinas - ver texto
R1- 10 k ohmios- resistor - marrón, negro, naranja
CV - capacitor variable de radio de ondas medias
C1- 10 nF- capacitor cerámico
B1 - 3 a 9 V-fuente o pilas
Varios: soporte de pilas, bastón de ferrita, antena, puente de terminales, hilos, soldadura, etc.





