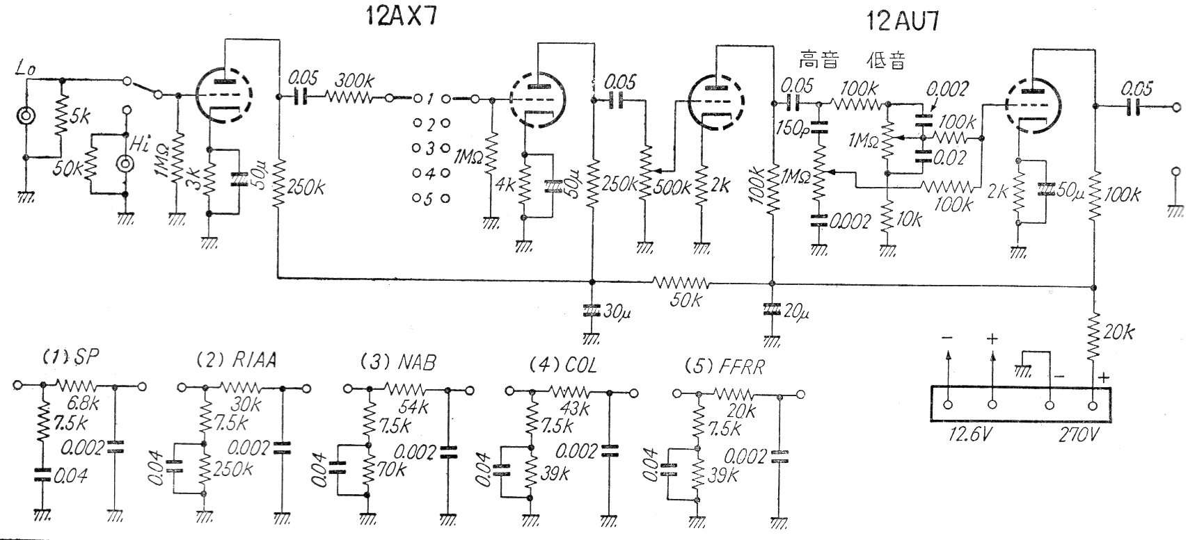
Este ecualizador con preamplificador posee diversas redes de ecualización según el tipo de aplicación deseada. El circuito fue encontrado en una documentación japonesa de los años 60 y, además, posee un control de tono. No se ha suministrado la fuente de alimentación.




