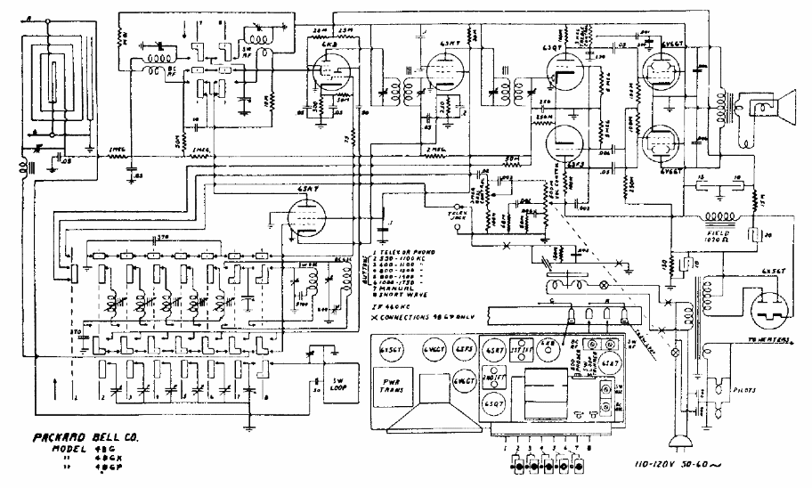
El punto curioso de este receptor es la sintonía por teclas, llevando a las estaciones preajustada. El receptor utiliza transformador y tiene salida de alta potencia en push-pull.
Las radios transistorizadas simples se pueden hacer en infinitas configuraciones. Presentamos una...
Este reforzador de señales permite mejorar la recepción de su radito de ondas medias y cortas (no...
Muchos proyectos que hacen uso de transistores y circuitos integrados son alimentados por una...