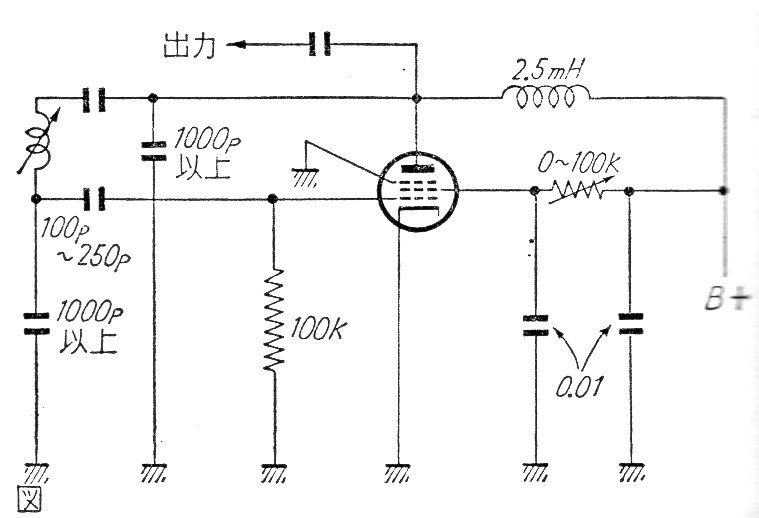
Aquí tenemos otra configuración de oscilador de frecuencia variable (VFO) utilizando una válvula pentodo. El circuito es de un manual antiguo y la bobina depende del rango de frecuencias deseado. El circuito es de una antigua publicación japonesa.
Cuando aprieta el gatillo (S1) y el relé abre y cierra los contactos rápidamente produciendo un ruido...
Encontramos este circuito en una documentación francesa antigua. El transistor usado es poco común...
Para mostrar las posibilidades que las placas de circuitos impresos universal ofrecen a los...