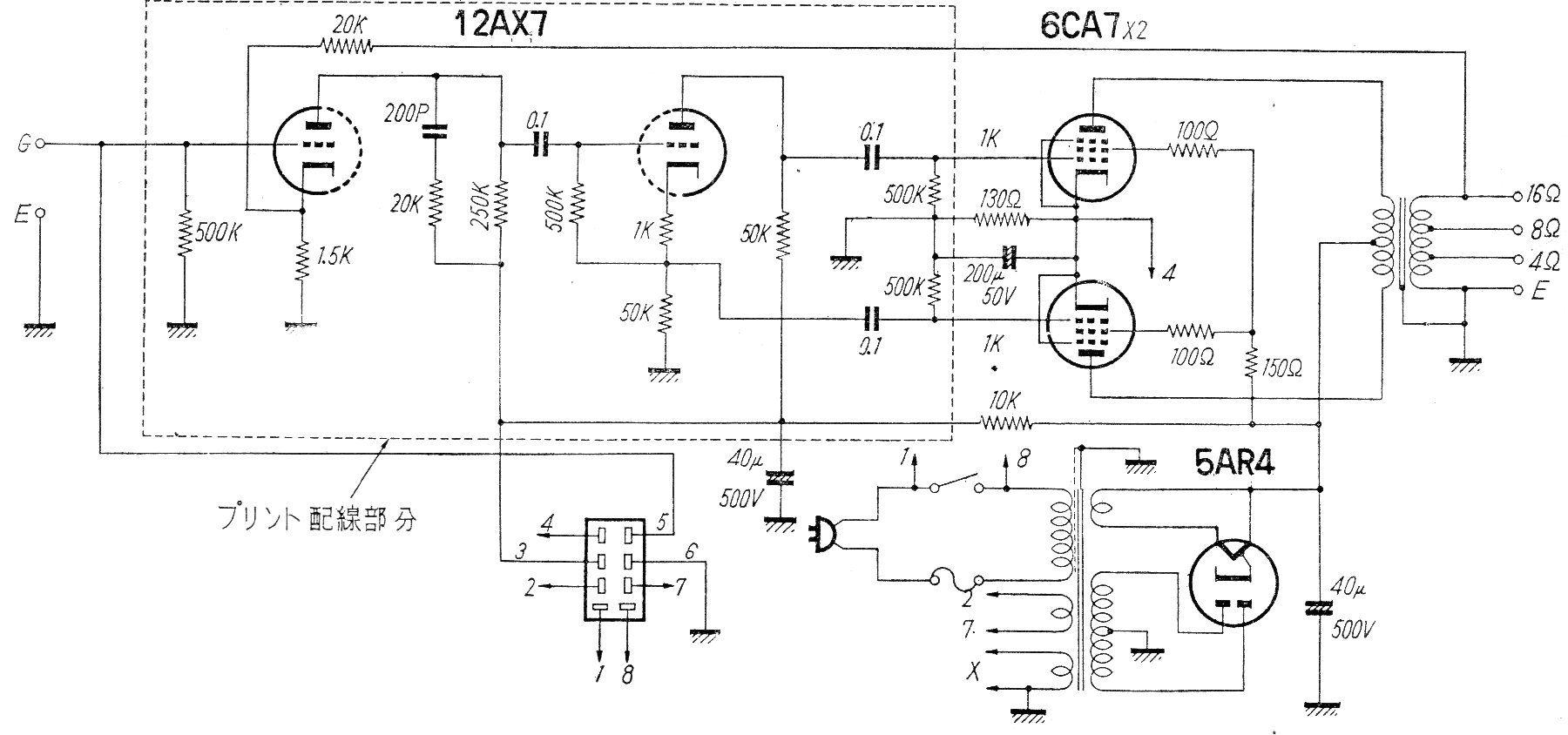
Este circuito fue obtenido en una documentación japonesa de los años 60. El circuito tiene dos válvulas 6CA7 en push-pull proporcionando excelente potencia. La fuente de alimentación se incluye, siendo los componentes críticos adicionales los transformadores.




