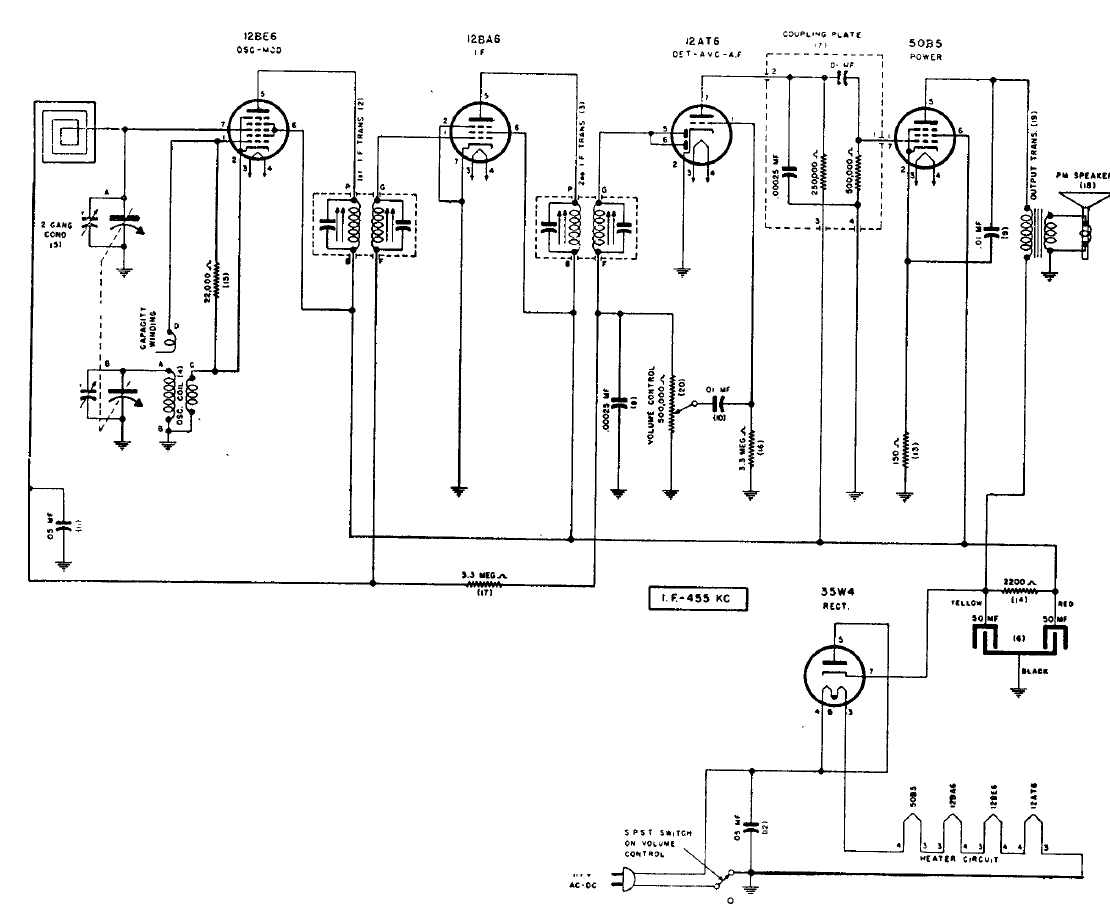
Este circuito de marca poco conocido fue obtenido en un esquemario de la época. El uso de la configuración tradicional en la época con antena de cuadro y filamentos en serie, encontrada en muchos radios brasileños de la época.
Las radios transistorizadas simples se pueden hacer en infinitas configuraciones. Presentamos una...
Este reforzador de señales permite mejorar la recepción de su radito de ondas medias y cortas (no...
Muchos proyectos que hacen uso de transistores y circuitos integrados son alimentados por una...