Si una radio presenta un sonido distorsionado cuando abrimos su volumen y su potencia máxima no es normal, entonces podemos sospechar de la etapa de salida.
Si el lector tiene un amplificador de prueba y, conectándolo en el paso anterior a la salida, como se muestra en la figura 1 descubrir que la señal reproducida es pura y sin distorsión, entonces se caracterizará un defecto en la etapa de salida.

Para encontrar los problemas del paso de salida, del tipo que utiliza transformador, el procedimiento con el multímetro es el siguiente:
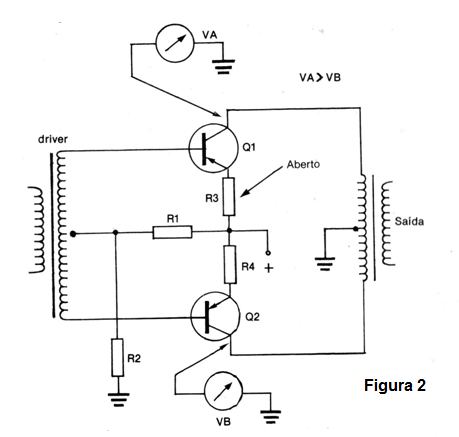
- Con la radio apagada, compruebe la continuidad de todos los devanados de los transformadores. La resistencia medida debe ser baja (inferior a 1 000 ohms) para todos ellos. Una resistencia alta indica que el transformador está abierto y debe ser reemplazado. En la figura 2 mostramos un caso de resistencia abierta que causa la inoperancia de la mitad de la etapa de salida, cuando entonces la radio presentará sonido distorsionado y con potencia reducida.

- Mida después, como radio conectado, las tensiones en los transistores, conforme muestra la figura 76-A.
Tensiones anormales nos llevan a sospechar de los transistores, que pueden. estar abiertos o en corto.
Atención: si necesita sustituir un transistor sólo, no lo haga! cambia siempre los dos, pidiendo en la tienda un par casado para garantizar la calidad de sonido del aparato.
Si la etapa es en simetría complementaria, como muestra la figura 3, además de medir las tensiones en los transistores, vea también si el capacitor conectado al altavoz está en buenas condiciones.

Este artículo forma parte de un libro que el lector puede bajar gratuitamente en este sitio (El Básico de la Reparación). En esta sección los artículos se separan por tipos de defectos.
Los defectos abordados se refieren a los circuitos transistorizados de radios, amplificadores más comunes, habiendo pequeñas variaciones de modelos para modelos. En el principio de funcionamiento, sin embargo, todos los circuitos son similares cuando se analizan.



