El sonido producido por esta sirena varía de frecuencia a un ritmo que puede ajustarse. El circuito se puede utilizar en alarmas, sistemas de advertencia y efectos de sonido en los shows.
La potencia de salida de esta sirena es alta, pudiendo también ser utilizados transistores bipolares para alimentación entre 6 y 12 V.
Para este caso, podemos utilizar el TIP31 con una resistencia de base de 1 k ohmios.
El circuito tiene tres ajustes que llevan al tono deseado con facilidad.
La combinación de estos ajustes puede generar sonidos de muchos tipos diferentes.
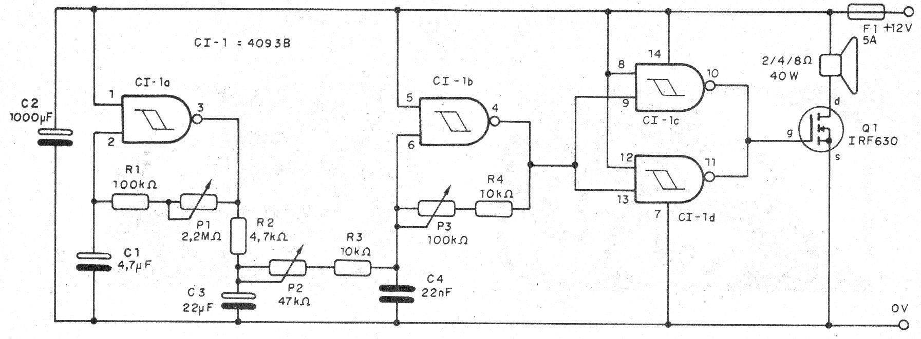
La base del proyecto es un circuito integrado 4093 que consiste en cuatro puertas disparadoras.
La primera puerta se utiliza como un oscilador lento para el circuito de modulación, ajustado en P1.
La señal de esta puerta pasa por un circuito de efecto que tiene su constante de carga y descarga ajustada en P2.
Este circuito determina la forma en que se realiza la modulación del circuito oscilador.
Para generar el tono modulado se utiliza la segunda puerta del 4093, con la frecuencia básica ajustada en P3.
La señal de este oscilador es amplificada digitalmente por las dos puertas restantes del 4093, siendo aplicado a un MOSFET de potencia.
Como carga, el MOSFET tiene un altavoz que, para mayor rendimiento, debe ser del tipo pesado.
En la figura 1 tenemos el diagrama completo de la sirena.
Una placa de circuito impreso para el montaje se muestra en la figura 2, llevando en cuota la versión con MOSFET.
El transistor debe estar dotado de disipador y n montaje, observe su posición, así como del circuito integrado.
Lista de material
CI-1 - 4093 - circuito integrado
Q1 - IRF640 o equivalente - ver texto
P1 - 2M2 ohms - trimpot
P2 - 47 k ohms - trimpot
P3 - 100 k ohms - trimpot
R1 - 100 k ohms - resistor - marrón, negro, amarillo
R2 - 4k7 ohms - resistor - amarillo, violeta, rojo
R3, R4 - 10 k ohms - resistores - marrón, negro, naranja
C1 - 4,7 uF - electrolítico
C2 - 22 uF - electrolítico
C3 - 22 nF - cerámico o poliéster
C4 - 1 000 uF - electrolítico
FTE - 2 ó 8 ohmios - Altavoz
F1 - fusible 2 A
Varios:
Placa de circuito impreso, radiador de calor, caja para montaje, hilos, soldadura, etc.





