Este circuito experimental, o aún como base de circuitos más complejos, produce una señal de audio que se reproduce en un bocadillo y que depende de la intensidad de la luz que incide en un sensor. El montaje básico puede servir para demostrar el principio de funcionamiento de los LDR o foto-resistores, que son sensores de luz.
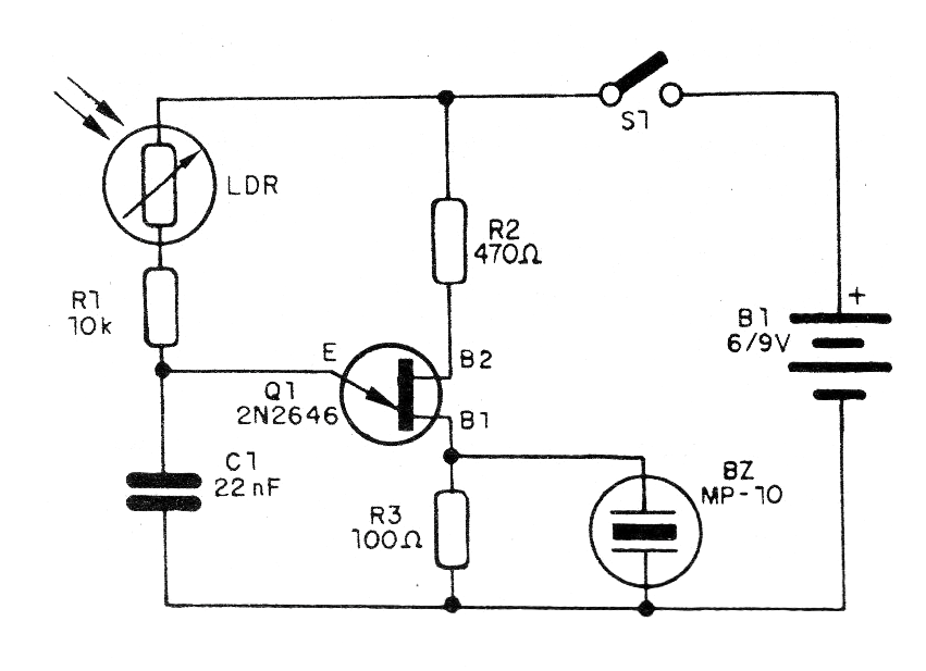
El circuito es bastante simple, pudiendo ser alimentado por tensiones de 6 a 9 V obtenidas de pilas o de una batería. En la figura 1 tenemos el diagrama completo del oscilador.
El montaje basado en un puente de terminales se muestra en la figura 2.
El transductor es una cápsula piezoeléctrica de cerámica. El LDR puede ser de cualquier tipo y los demás componentes son comunes.
Lista de material
Q1 - 2N2646 - transistores unijuntura
LDR - LDR común de cualquier tipo
B1- 6 V o 9 V- 4 pilas o batería
S1 - Interruptor simple
BZ - Cápsula de cerámica
R1- 10 k ohms x 1/8 W-resistor - marrón, negro, naranja
R2 - 470 ohms x 1/8 W-resistor - amarillo, violeta, marrón
R3 - 100 ohms x 1/8 W-resistor - marrón, negro, marrón
C1 - 22 nF - capacitor de cerámica o poliéster
Varios: puente de terminales, conector de batería o soporte de pilas, cables, soldadura, etc.





