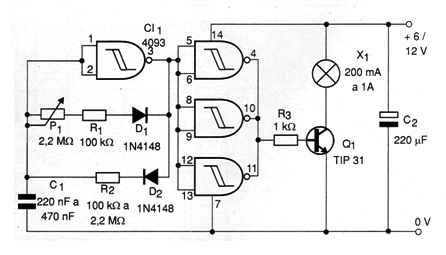
El circuito de la figura 1 hace que una lámpara incandescente parpadeante a una velocidad determinada por el ajuste de P1.

El ciclo activo, o el tiempo que dura el parpadeo es determinado por el resistor R2. Para parpadeos muy cortos, el resistor puede tener valores entre 10 k ohms y 100 k ohms. Para paradas más largas su valor estará entre 220 k ohms y 2,2 M ohms.
La frecuencia de los intermitentes se ajusta en P1.
El transistor de potencia depende de la lámpara utilizada. Para lámparas hasta 1 A recomendamos usar un TIP 31 montado en un buen radiador de calor.
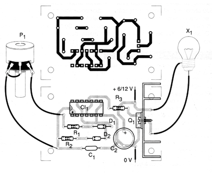
En la figura 2 damos una sugerencia de placa de circuito impreso para implementar este indicador.

Una aplicación interesante es en sistemas de señalización automotriz, donde varias lámparas de 200 mA pueden ser conectadas en paralelo.
Lista de material
CI-1 - 4093 - circuito integrado CMOS
Q1 - TIP31 - transistores NPN de potencia
D1, D2 - 1N4148 o equivalentes - diodos de uso general
R1 - 100 k ohms x 1/8 W - resistor - marrón, negro, amarillo
R2 - 100 k ohms a 2,2 M ohmios x 1/8 W - resistor - ver texto - determina el ciclo activo
R3 - 1 k ohms x 1/8 W - resistor - marrón, negro, rojo
P1 - 2,2 M ohms - pote
C1 - 220 nF a 470 nF - capacitor de cerámica o poliéster
C2 - 220 uF x 16 V - condensador electrolítico
X1 - 6 o 12 V hasta 1 A - lámpara incandescente
Varios:
Placa de circuito impreso, radiador de calor para el transistor, caja para montaje, hilos, soldadura, etc.



