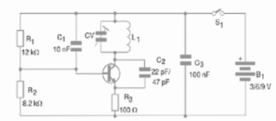
El transistor de este circuito puede ser el 2N2222 o BF494. La bobina puede tener de 2 a 8 espiras de hilo 22 a 26 en forma de 1 cm de diámetro sin núcleo o auto-sostenida. CV es un trimmer de 10 a 20 pF de capacitancia máxima y todos los condensadores deben ser cerámicos. Una antena se puede colocar en el colector del transistor para la emisión de las señales. El circuito es del libro Science Fair Projects de Newton C. Braga.




