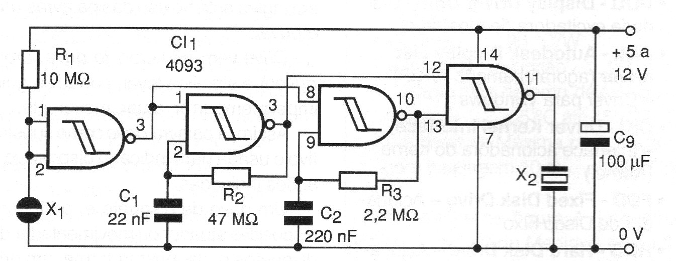
El circuito mostrado en la figura 1 genera un tono intermitente en un transductor piezoeléctrico cuando se activa el sensor de timbre. La frecuencia del tono es dada básicamente por R2 que puede tener valores entre 10 k ohmios y 100 k ohmios.
Es interesante determinar el valor que produce el sonido de mayor volumen en el transductor pues, muchos de ellos tienen su rendimiento máximo en una frecuencia de resonancia en torno a 4 kHz. La intermitencia depende de R3 y C2 que también se pueden cambiar en un buen rango de valores. El transductor cerámico proporciona una buena potencia de audio para aplicaciones alimentadas por pilas y batería de 9 V, ya que tiene bajo consumo.
Sin embargo, para aplicaciones en que mayor potencia se hace necesaria, o aún en que el lector desee utilizar un altavoz, las etapas de potencia de la figura 2 pueden ser usadas.

Para alimentación superior a 9 V el transistor debe estar dotado de un radiador de calor. El sensor de tacto consiste en dos planchas de metal separadas que se deben tocar simultáneamente.
Lista de material
CI-1 - 4093 - Circuito Integrado CMOS
X1 - Sensor de timbre
R1 - 10 k ohms x 1/8 W - resistor - marrón, negro, naranja
R2 - 47 k ohms x 1/8 W - resistor - amarillo, violeta, naranja
R3 - 2,2 M ohms x 1/8 W - resistor - rojo, rojo, verde
C1 - 22 nF - capacitor de cerámica o poliéster
C2 - 220 nF a 470 nF - capacitor de cerámica o poliéster
C3 - 100 uF x 16 V - capacitor electrolítico
BZ - Transductor piezoeléctrico de alta impedancia




