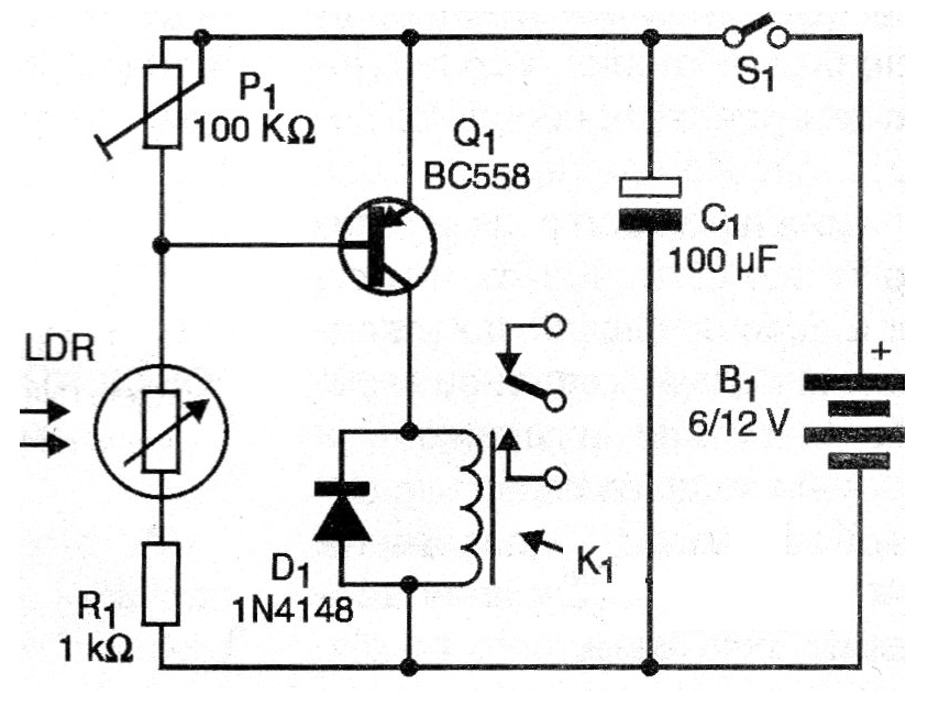
El circuito presentado en la figura 1 se dispara cuando la luz que incide sobre el LDR es cortada.
Se puede utilizar como un sensor de paso o para accionar un sistema de iluminación de emergencia.
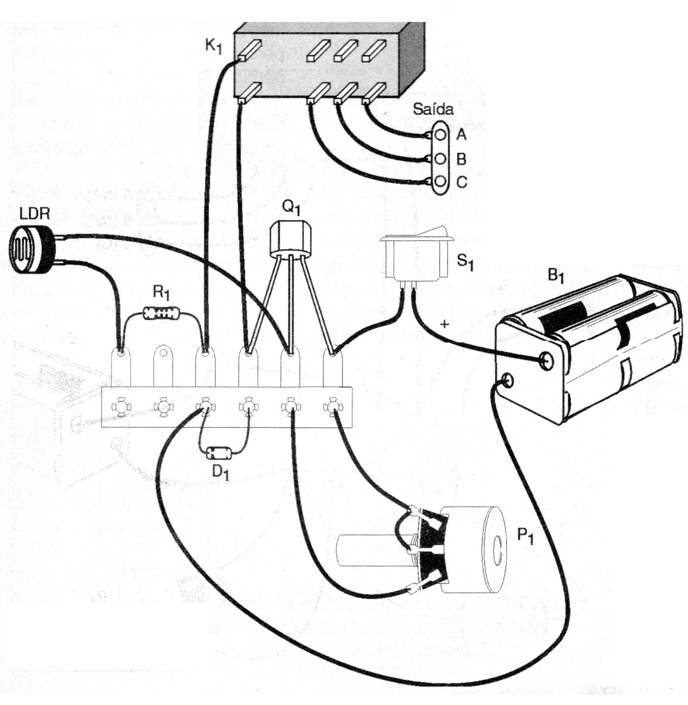
Podemos hacer el montaje en matriz de contactos o puente de terminales.
Para la versión en puente, la disposición de los componentes se muestra en la figura 2.
Para realizar el montaje, observe la posición del transistor y la disposición de los terminales del relé.
El resistor es de 1/8 W con cualquier tolerancia y el LDR del tipo redondo común.
Lista de material
Q1 - BC548 - transistores NPN de uso general
D1 - 1N4148 - diodo de uso general
LDR - LDR redondo común
P1 - 100 k ohms - potenciómetro
K1 - Relé sensible de 6 o 12 V
B1 - 4 pilas o fuente - 6 o 12 V
S1 - Interruptor simple
R1 - 1 k ohms - resistor - marrón, negro, rojo
C1 - 100 uF x 16 V - capacitor electrolítico
Varios:
Puente de terminales o matriz de contactos, soporte de pilas o fuente, hilos, soldadura, etc.





