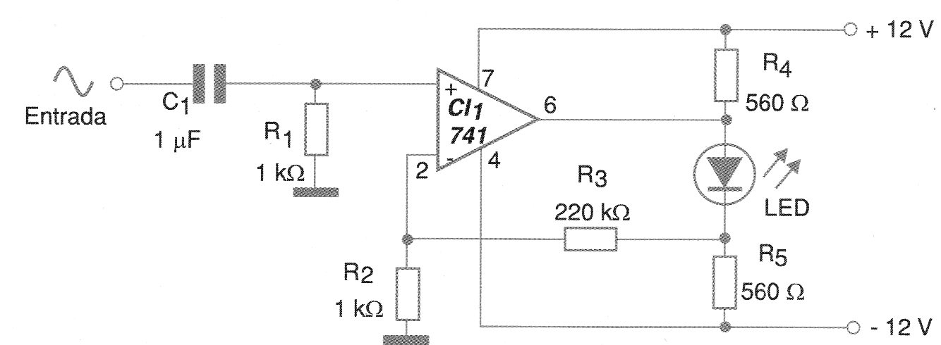
El circuito de la figura 1 modula un LED emisor de infrarrojos a partir de señales de audio o datos de baja frecuencia aplicados a su entrada.
La fuente de alimentación debe ser simétrica y los amplificadores operacionales equivalentes se pueden utilizar, incluyendo tipos con respuesta de frecuencia mayor que el 741.
La ganancia del circuito se determina por la relación entre R3 y R2. R2 se puede cambiar en función de la intensidad de la señal utilizada en la modulación. El LED puede ser de cualquier tipo infrarrojo.
En la figura 2 tenemos una sugerencia de placa de circuito impreso para la implementación de ese emisor.
Los recursos ópticos, como lentes, se pueden utilizar para concentrar la radiación en una sola dirección y así obtener mayor alcance.
Los circuitos MIN490S y MIN491S se pueden utilizar como receptores para este emisor. Sus salidas deben conectarse a amplificadores apropiados.
LISTA DE MATERIAL
CI-1 - 741 - amplificador operacional
LED - LED emisor de infrarrojos común
R1, R2 - 1 k ohms x 1/8 W - resistores
R3 - 220 k ohms x 1/8 W - resistor
R4, R5 - 560 ohms x 1/8 W - resistores
C1 - 1 uF - capacitor de poliéster
Varios:
Placa de circuito impreso, fuente de alimentación simétrica, hilos, soldadura, recursos ópticos, etc.





