Una forma de obtener una señal de frecuencia exacta es con el uso de un oscilador controlado por cristal de cuarzo.

   Para este propósito podemos tener circuitos que tanto hacen uso de transistores como de circuitos integrados.

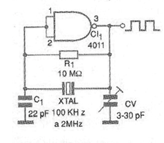
   El circuito mostrado en la figura 1 puede generar señales rectangulares (compatibles con lógica) entre 100 kHz y 2 MHz sirviendo como reloj para microprocesadores, microcontroladores y otras aplicaciones similares.

 


 

 

 

   Utilizamos una puerta de un 4011, pero cualquier puerto que pueda configurarse como inversor puede ser empleada.

   La alimentación se puede hacer con tensiones de 5 a 15 V y los capacitores deben ser cerámicos.

   La señal producida es cerca de la rectangular pudiendo ser amplificada digitalmente (bufferizada) por las otras puertas del mismo CI.

   En la figura 2 tenemos una sugerencia de placa de circuito impreso, aunque en la mayoría de los casos el circuito es parte de una configuración más compleja incluida en la misma placa.

 


 

 

   El trimmer sirve para ajustar el punto de partida para que el oscilador entre en funcionamiento fácilmente al conectarse. Este trimmer también ajusta levemente la frecuencia por su acción en las resonancias internas del cristal.

   Una sugerencia para quien desea frecuencias más bajas utilizando este oscilador es hacer la división de la señal por valores que sean potencias de 2 con base en un 4020, como muestra la figura 3.

  

 


 

 

   Conforme muestra la figura, aplicando la señal en la entrada de este CI la frecuencia quedará dividida por potencias de 2, con la posibilidad de obtener la división por hasta 16 384.

   Con ello, frecuencias de unos pocos hertz se pueden obtener con un cristal de mayor frecuencia, sin problemas.

   Dos o más 4020 pueden ser cascada para obtener frecuencias extremadamente bajas a partir de cristales.

 

 

Lista de material

 

C I-1 - 4011 o equivalente - circuito integrado CMOS

XTAL - cristal de 100 kHz a 10 MHz

R1 - 10 M ohms x 1/8 W - resistor

C1 - 22 pF - cerámico

C2 - 3-30 pF - trimmer

Varios:

Placa de circuito impreso, hilos, soldadura, etc.