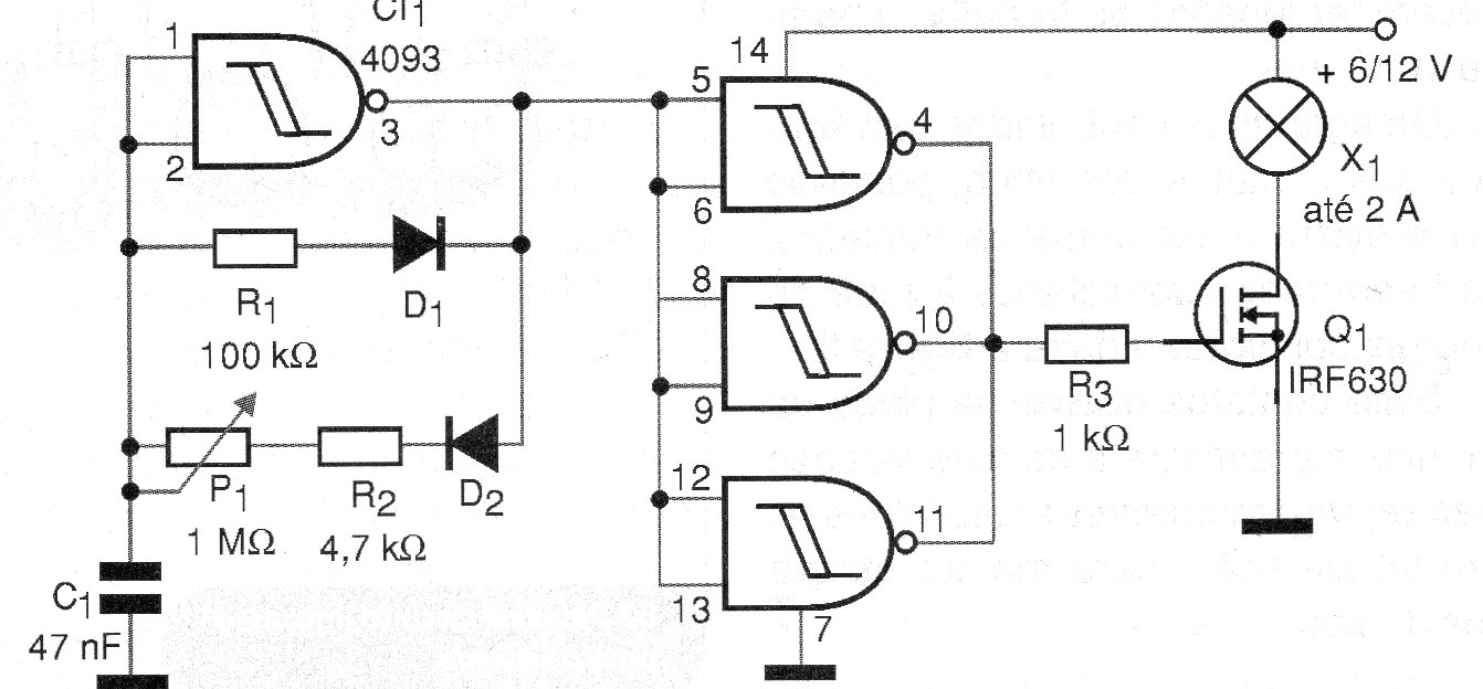
El control de potencia para una lámpara incandescente o cualquier carga resistiva e incluso pequeños motores, presentado en la figura 1, consiste en un oscilador cuya anchura de los pulsos se ajusta en el potenciómetro P1.

   Se trata, por lo tanto, de un control PWM bastante simple.

 


| Clique na imagem para ampliar |

 

 

   El circuito puede operar con tensiones de 6 V a 12 V típicamente y la corriente máxima de la carga controlada depende sólo del transistor de potencia usado.

   Este componente deberá estar dotado de un buen radiador de calor.

   El ciclo mínimo o ancho mínimo de pulsos depende del resistor R2 y la frecuencia media depende de R1. Dependiendo de la aplicación, estos componentes pueden tener sus valores cambiados.

   En la figura 2 mostramos una placa de circuito impreso para el montaje de ese control.

 


 

 

 

 

Lista de material

 

CI-1 - 4093 - Circuito integrado CMOS

Q1 - IRF620 - transistores de efecto de campo de potencia

P1 - 1 M ohms - potenciómetro lin oum log

R1 - 100 k ohms x 1/8 W - resistor - marrón, negro, amarillo

R2 - 4,7 k ohms x 1/8 W - resistor - amarillo, violeta, rojo

R3 - 1 k ohms x 1/8 W - resistor - marrón, negro, rojo

X1 - Lámpara de 6 a 12 V hasta 2 A

C1 - 47 nF - capacitor de cerámica o poliéster

Varios:

Placa de circuito impreso, fuente de alimentación, radiador de calor para el transistor, zócalo para la lámpara, hilos, soldadura, etc.