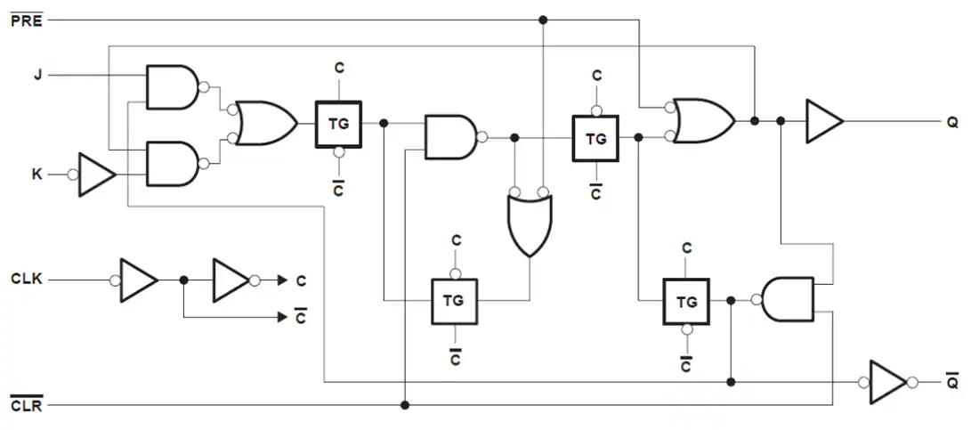
Los flip-flops J-K duales SN74HC112 de Texas Instruments contienen dos flip-flops J-K independientes activados por flanco negativo. Un nivel bajo en las entradas claras (/CLR) o preestablecidas (/PRE) restablece o desarma las salidas, independientemente de los niveles de las otras entradas. Los datos en las entradas J y K que cumplen con los requisitos de tiempo de configuración se transfieren a las salidas en el borde negativo del pulso de reloj (CLK) cuando /CLR y /PRE están inactivos (altos). La activación del reloj no está directamente relacionada con el tiempo de caída del pulso CLK y se produce a nivel de voltaje. Los datos de entrada J y K se pueden cambiar sin afectar los niveles en las salidas después del intervalo de tiempo de espera. Los flip-flops SN74HC112 de Texas Instruments son flip-flops versátiles que funcionan como flip-flops de palanca conectando J y K en alto.




