Este sencillo circuito imita el sonido de una ametralladora y con un condensador más grande también produce una pistola de sonido repetitivo. Fácil de montar que utiliza algunos componentes, algunos de los cuales los apartos descartados. Entre las aplicaciones se pueden mostrar están los juguetes, los efectos de sonido en montajes mecatrónicas y robots.
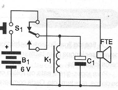
El principio operativo es lo siguiente: cuando se pulsa S1 el capacitor se carga hasta, pero después de un instante se abre los contactos del relé interrumpir el suministro por la atracción de la bobina. Con la interrupción de los contactos del relé no inmediatamente vuelven a su posición normal, pero tienen una fracción de segundo, que es cuánto necesita el capacitor para ser descargado de nuevo por la bobina.
Con el regreso de los contactos a la condición inicial que tenemos nueva carga y el fenómeno se repite. Esto abre y cierra el relé de circulación pulsos de corriente a través de la producción de un ruido similar al arma en el altavoz.
La velocidad de disparos depende tanto del valor del capacitor como del tipo de relé utilizado (resistencia de su bobina) debiendo hacerse experiencia para conseguir el valor que da un mejor efecto.
En la Figura 1 tenemos el diagrama completo del dispositivo.

En la Figura 2 tenemos la disposición de los componentes que se pueden instalar en una caja para mejorar la acústica.

El relé puede ser cualquier tipo de bobina con 6 V y una corriente máxima de 100 mA. Tipos de uso general económico pueden ser utilizados.
El capacitor puede tener valores entre 100 µF y 470 µF.
El interruptor S1 es la presión y el la alimentación se hace común con 4 baterías de cualquier tamaño. El altavoz puede ser de cualquier tipo o tamaño con potencia de 1 W o más.
Para probar el dispositivo sólo tiene que pulsar S1.
B1 – 6 V – batería o pilas
S1 – interruptor de presión
K1 – 6 V – relé
C1 – 100 µF a 470 µF x 6 V – capacitor
FTE – 4 o 8 ohm – alta-voz pequeño
Soporte de la batería, caja para el montaje, cableado, soldadura, etc.



