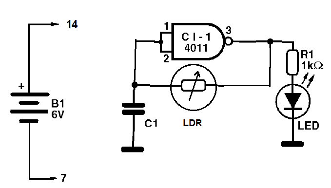
La frecuencia de los intermitentes del LED depende de la cantidad de luz que incide en el LDR. Con más luz el LED parpadea más rápido. El capacitor puede tener valores entre 100 nF y 10 uF, dependiendo de la cantidad de luz que se desea usar en el control. Para mayor sensibilidad el LDR debe montarse en un tubo. La alimentación debe realizarse con una fuente de 5 V a 12 V. El circuito integrado 4001 también se puede utilizar en esta aplicación.

 


| Haga click en la imagen para ampliar |