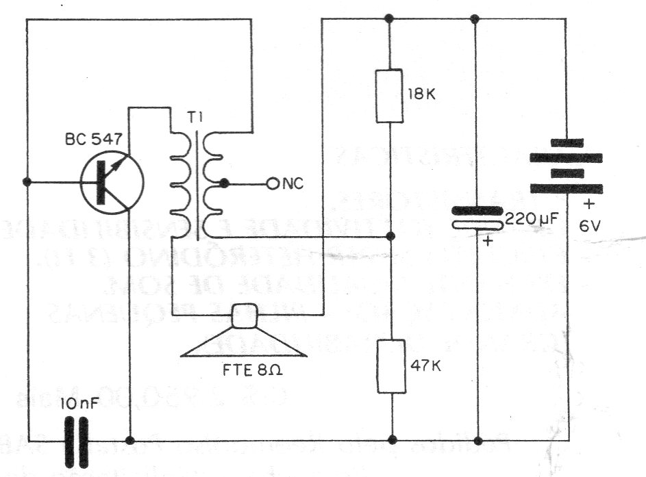
Este simple oscilador de bloqueo mediante un transistor se puede utilizar en alarmas o sistemas de llamada. El transformador es del tipo de salida encontrado en radios transistorizados. El condensador determina el sonido emitido, pudiendo ser cambiado. El circuito funciona con tensiones de 3 a 6 V.




