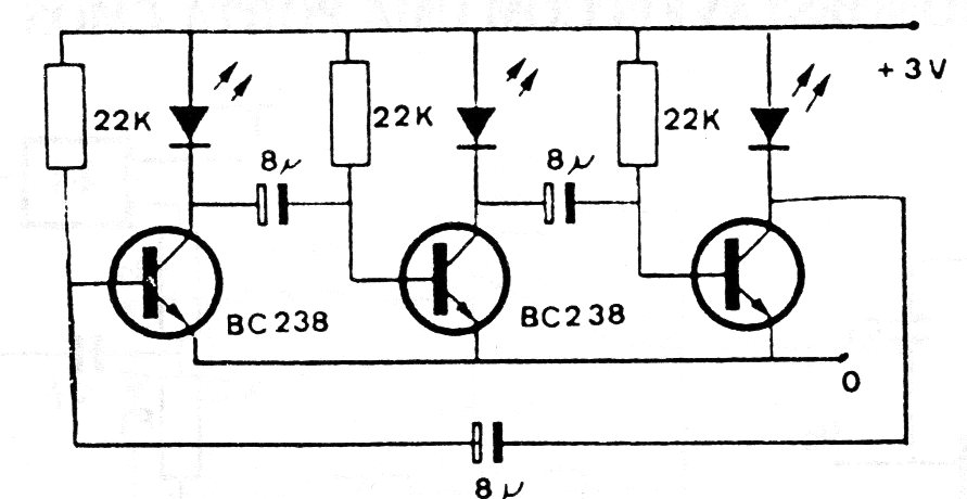
Este oscilador que excita 3 LEDs de forma secuencial también se llama oscilador en círculo. La frecuencia depende de los capacitores y los transistores pueden ser los BC548. Se recomienda la conexión y una resistencia de 220 ohms a 470 ohms en serie con los LED para limitar su corriente.




