Como hemos visto, el circuito integrado 555 es uno de los temporizadores más populares y encuentra multitud de aplicaciones prácticas. El circuito que te damos a continuación sirve tanto para probar estos integrados como: sirena, repelente de mosquitos, dispositivo de llamada y cambio del capacitor de tiempo (pin 2) por uno electrolítico y el zumbador por un LED, tales como: intermitente, bandera, etc. En la figura 1 tenemos el circuito completo del probador 555.

 

 


 

 

 

Su montaje sobre placa de circuito impreso se muestra en la figura 2.

 

 


 

 

 

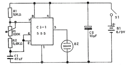
Para adaptar el circuito integrado bajo prueba, utilizamos un enchufe DIL de 8 pinos. Observe la posición de montaje del test integrado. Las resistencias son de 1/8 W o más grandes y el capacitor es de 47 nF. El potenciómetro controla la frecuencia del sonido que produce el transductor.

El transductor puede ser un micrófono de cristal o de cerámica o una cápsula de auricular. El circuito se puede alimentar con 4 baterías pequeñas o con una batería de 9V.

Para utilizar el dispositivo, coloque el circuito integrado bajo prueba en el enchufe y encienda la fuente de alimentación. Ajuste P1 y el transductor debería emitir un pitido si el circuito integrado está bien. Al ajustar P1 el sonido cambia su frecuencia.

Si no pasa nada, es porque el circuito integrado está dañado. La operación de prueba inicial del probador debe realizarse con un IC en buenas condiciones.

 

 

Material:

 

CI-1 – 555 en prueba

R1 – 10 k ohm – resistor

R2 – 6k8 ohm – resistor

C1 – 47 nF – capacitor cerâmico o poliéster

C2 – 10 uF – electrolitico

BZ = buzzer piezoeléctrico

P1 – 100 k ohm – potenciómetro

S1 – Interruptor

B1 – 6 o 9 V – pilas o batería

Diversos:

Placa de circuito impreso, hilos etc.