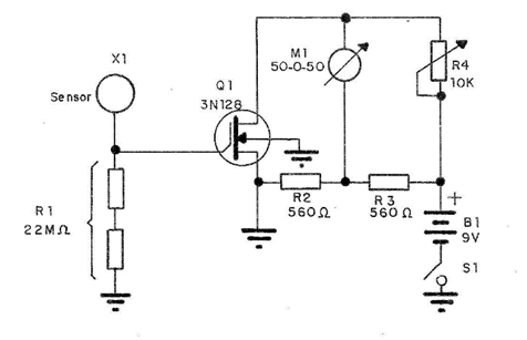
La impedancia de entrada muy alta de un FET tipo MOS permite que incluso las cargas estáticas más pequeñas provoquen cambios en la corriente entre el drenaje y la fuente. Esta característica se puede utilizar en la construcción de un electroscopio o detector de cargas eléctricas estáticas. En la figura tenemos el esquema de este dispositivo.

 

 

 


 

 

 

La energía proviene de una batería común y el sensor es una pequeña placa o bola de metal de aproximadamente 2 cm. El cable de conexión a este sensor debe ser muy corto para no afectar el funcionamiento del circuito. El instrumento indicador es un microamperímetro 50-0-50 RA, es decir, del tipo con el cero en el centro de la escala. La operación se realiza acercando el sensor al objeto cargado, pero sin tocarlo nunca, ya que al tocarlo se puede quemar el componente (FET).

 

 

Material:

 

Q1 – MOSFET – 3N120 o equivalente

R1 – 22 M ohms o mayor – resistor

R2, R3 – 560 ohms – resistor

R4 – 10 k ohms – trimpot

M1 – 50 – 0 – 50 – microamperímetro com cero al centro

B1 – 0V – batería

Diversos:

Sensor, placa de circuito impreso, etc.