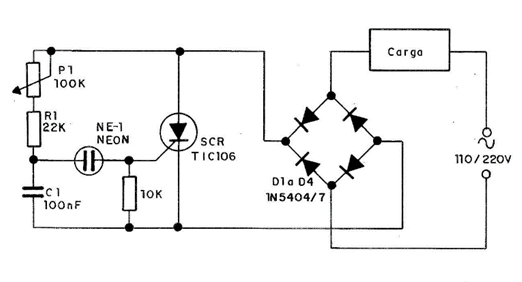
El circuito de corriente alterna que se presenta a continuación puede controlar la velocidad de un motor universal, el brillo de una bombilla o la temperatura de una soldadora y emplea SOR como base en el control de onda completa. El control de onda completa se logra mediante un puente de diodos, que rectifica la señal de la red, pero sin filtrar, manteniendo así solo semiciclos positivos en la carga.
Este circuito opera conduciendo una mayor o menor parte de cada semiciclo, según se dispare al principio o al final. Esto se logra con un retardo controlado del punto de activación por el potenciómetro y el condensador.
El disparo se realiza con una lámpara de neón, que conduce cuando el capacitor alcanza una tensión de aproximadamente 70 volts. En otras palabras, este control de potencia opera actuando sobre el ángulo de conducción. En la figura tenemos el esquema de control de potencia para cargas de hasta 3 amperes.

El SCR debe tener sufijo B si la red es de 110V y sufijo D si la red es de 220V y su montaje requiere un buen disipador de calor. Los diodos son 1 N5404 para la red de 110V y 1 N5407 para la red de 220V.
Material:
SCR – TIC106 o equivalente
NE-1 – Lámpara de neón común
P1 – 100 k ohm – potenciómetro
R1 – 22 k ohm – resistor
R2 – 10 k ohm – resistor
C1 – 100 nF x 100 V o más – capacitor de poliéster
Diversos:
Placa de circuito impreso, radiador para el SCR, etc.



