Este oscilador experimental produce señales en la banda de ondas medias (OM) entre 550 y 1600 kHz, pudiendo ser captadas en cualquier radito común. El alcance, evidentemente, es pequeño, del orden de 2 o 3 metros como máximo, pero permite su utilización a través de paredes y otros obstáculos.
La alimentación hecha con dos pilas pequeñas.
La señal no es modulada, de modo que lo que se capta en la radio es una portadora de alta frecuencia que resulta, en el altavoz, en una especie de "soplo".
Para la transmisión de mensajes S1 puede ser reemplazado por un controlador. En este caso, las señales se codificar en Morse.
Colocado en una cajita este aparato se convierte en un transmisor de bolsillo para emisiones a cortas distancias, o generador de señales para la calibración de radios.
MONTAJE
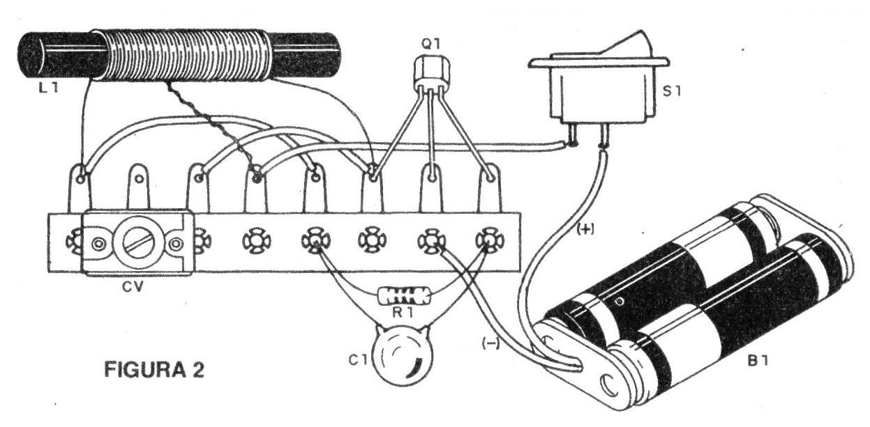
En la figura 1 tenemos el diagrama completo del aparato y en la figura 2 tenemos el montaje hecho en un puente de terminales aislados.

La bobina L1 se enrolla en un bastón de ferrita de 10 a 25 cm de longitud, con un diámetro de 5 a 10 mm. Esta bobina consta de 50 + 50 vueltas de alambre esmaltado 28.
El capacitor CV y un trimmer común, pero para mayor rango de sintonía se puede emplear un capacitor variable de 170 pF o próximo.
El capacitor C1 debe ser cerámico y su valor no es crítico, pudiendo quedar entre 1 nF y 10 nF.
LISTA DE MATERIAL
Q1 - BF494 - transistores de RF
L1 - 50 + 50 vueltas de hilo 28 en bastón de ferrita
CV - trimmer o variable
S1 - Interruptor simple
R1 - 10 k x 1/8 W - resistor (marrón, negro, naranja)
C1 - 1 nF - capacitor de cerámica
B1 - 3 V - 2 pilas pequeñas
Varios: soporte para pilas, puente de terminales, caja para montaje, cable esmaltado, bastón de ferrita, etc.




