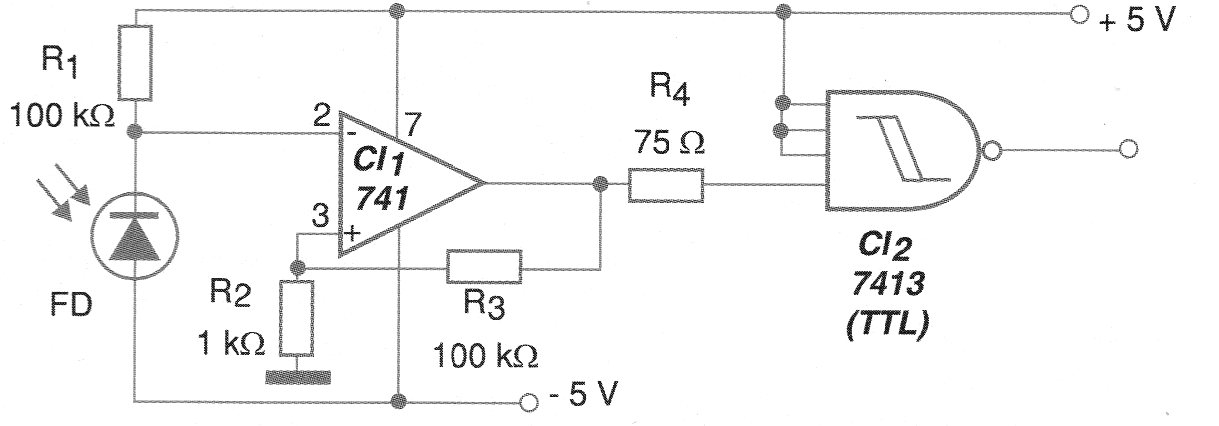
La finalidad del circuito mostrado en la figura 1 es proporcionar señales compatibles con tecnología TTL a partir de señales ópticas captadas por el foto-diodo. El circuito se puede utilizar como shield para microcontroladores.
La ganancia del circuito es determinada por R3, componente que puede tener su valor alterado en función de las señales de excitación.
Observe que la fuente de alimentación para el amplificador operacional debe ser simétrica. El 7413 es un disparador que garantiza que la señal aplicada al circuito externo sea libre de repiques.
Como las puertas TTL del 7413 se pueden intercambiar, dejamos que el lector cree una placa de circuito impreso para esta aplicación.
LISTA DE MATERIAL
CI-1 - 741 - amplificador operacional
CI-2 - 7413 - circuito integrado TTL
FD - foto-diodo
R1, R3 - 100 k ohms x 1/8 W - resistores
R2 - 1 k ohms x 1/8 W - resistor
R4 - 75 ohms x 1/8 W - resistor
Varios:
Placa de circuito impreso, hilos, soldadura, etc.




