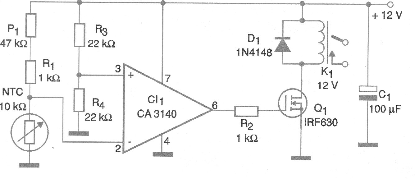
Este circuito detecta cuando la temperatura de un congelador, mostrador frigorífico o incluso un ambiente tiene su temperatura aumentada por falla en el circuito de refrigeración.
El sensor utilizado es un NTC y P1 es un potenciómetro de 47 k a 100 k que ajusta el punto de disparo del relé. En lugar del FET se puede utilizar un transistor bipolar común si el relé es de corriente hasta 100 mA.
El BC548 puede utilizarse en este caso sin problemas.
La fuente de alimentación no necesita ser simétrica y el NTC de 10k a 30k debe instalarse en el lugar en el que se desea monitorear la temperatura.
En la figura 1 tenemos el diagrama completo de la alarma.
En la figura 2 tenemos una sugerencia de placa de circuito impreso.
La fuente debe suministrar una corriente de al menos 200 mA y debe ser del tipo estabilizado
Material
CI-1 – CA3140 – circuito integrado
Q1 – IRF630 – MOSFET
NTC – NTC de 10 k ohms
D1 – 1N4148 – diodo
K1 – 12 V x 50 mA – relé
C1 – 100 uF x 16 V – capacitor electrolítico
R1, R2 – 1 k ohms – resistores
R3, R4 – 22 k ohms – resistores





