Los circuitos de alta frecuencia, como los que operan con señales de FM, son críticos no debiendo ser montados en matrices de contacto o puente de terminales. Sin embargo, si tenemos cuidado, podremos tener resultados razonables, lo que es interesante en un proyecto didáctico, como lo que presentamos.
En los circuitos de alta frecuencia los hilos y terminales de componentes deben mantenerse lo más cortos posibles.
Este hecho limita su utilización a placas de circuito impreso y aún así, con cuidados en las longitudes de las pistas.
Sin embargo, con finalidad didáctica es posible montar un simple sintonizador que podrá captar estaciones cercanas usando un puente de terminales.
Por supuesto, los hilos deben mantenerse cortos y una cierta inestabilidad de funcionamiento puede ocurrir con la aproximación de objetos o incluso de la mano del operador.
La señal del circuito presentado debe ser aplicada a la entrada de un amplificador, y podemos cambiar su bobina para que capte también las señales del rango de VHF.
Así, para el rango de FM la bobina consta de 4 espiras de hilo rígido telefónico con diámetro d 1 cm sin núcleo y para VHF podremos experimentar 2 o 3 espiras del mismo hilo con el mismo diámetro.
La antena puede ser del tipo telescópico o un pedazo de hilo de 30 a 60 cm de longitud en posición vertical.
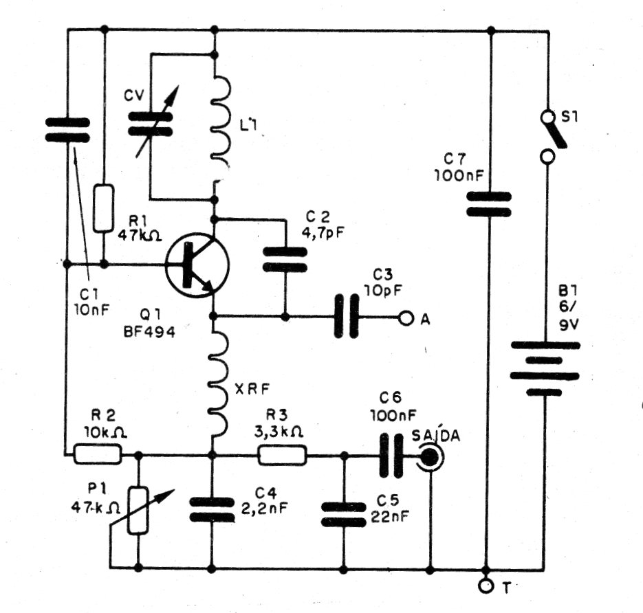
En la figura 1 tenemos entonces el diagrama completo del sintonizador.
En la figura 2 tenemos la disposición de los componentes en el puente de terminales.
El capacitor variable se aprovecha de una radio FM, pero la sintonía también puede ser hecha por un trimmer.
Tenga cuidado de no usar la sección de AM del capacitor variable, pues con ella el circuito no funcionará.
El choque de RF puede ser un microchoque de 47 uF o aún fabricado, enrollando unas 30 o 40 vueltas de hilo fino en un resistor de 1M ohmios x ¼ W y conectando los hilos a los terminales del resistor.
La alimentación se puede realizar con 4 pilas pequeñas o una batería de 9 V.
Los capacitores deben ser todos cerámicos y el cable de audio para la entrada del amplificador debe ser blindado.
Para usar, ajuste P1 para obtener el mejor rendimiento al mismo tiempo que hace la sintonía del capacitor para captar alguna estación.
Con 5 o 6 espiras se pueden captar los sonidos de los canales bajos de TV (2 a 5).
Lista de material
Q1 - BF494 - transistores de RF
L1 - Bobina - ver el texto
XRF - microchip - ver el texto
CV - capacitor variable - ver texto
B1 - 6 o 9 V - 4 pilas o batería
A - antena - ver texto
S1 - Interruptor simple
P1 - 47 k - trimpot
R1 - 47 k ohms x 1/8 W - resistor - amarillo, violeta, naranja
R2 - 10 k ohms x 1/8 W - resistor - marrón, negro, naranja
R3 -3k3 x 1/8 W - resistor - naranja, naranja, rojo
C1 - 10 nF - capacitor de cerámica
C2 - 47 pF - capacitor de cerámica
C3 - 10 pF - capacitor de cerámica
C4 - 2,2 nF - capacitor de cerámica
C5 - 22 nF -capacitor cerámico
C6 - 100 nF - capacitor de cerámica
Varios:
Conector de batería o soporte de pilas, puente de terminales, hilos, suela, etc.





