Este pequeño radio experimental, muy simple, capta bien las estaciones locales de la banda de ondas medias. La reproducción es en un pequeño altavoz y la alimentación se puede realizar por dos o cuatro pilas pequeñas.
Si bien las transmisiones de ondas medias deban terminar pronto, todavía existen muchas estaciones operando en esta franja, principalmente en las pequeñas ciudades.
El receptor que describimos tiene finalidad tanto didáctica como recreativa, pudiendo aprovechar componentes de chatarra.
El receptor utiliza sólo un circuito integrado de excelente ganancia capaz de proporcionar una buena potencia en un pequeño altavoz con alimentación por 4 pilas pequeñas.
Se trata de un montaje ideal para un curso de iniciación a la electrónica.
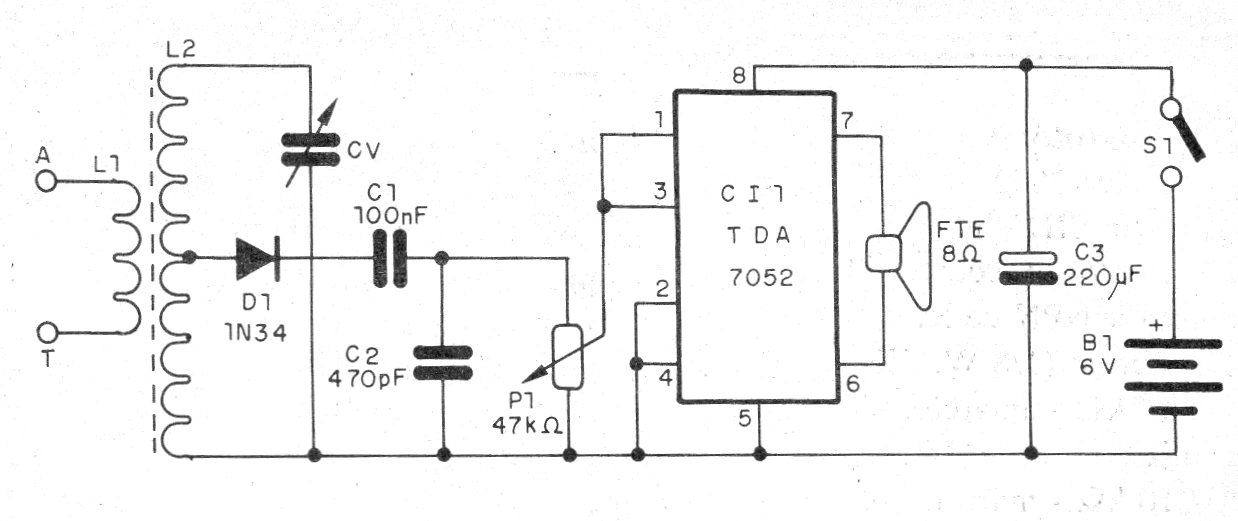
En la figura 1 tenemos el diagrama completo del receptor de la banda de ondas medias.
La placa de circuito impreso para el montaje se muestra en la figura 2, aunque el circuito también se puede montar en una matriz de contactos.
La bobina se enrolla en un bastón de ferrita que se puede aprovechar de una vieja radio transistorizada fuera de uso.
L1 consta de 20 espiras de hilo esmaltado 28 a 30 y L2 de 30 + 70 espiras del mismo hilo, como muestra la figura.
El capacitor variable se puede aprovechar de una radio fuera de uso, así como el pequeño altavoz y hasta algunos otros componentes.
Los capacitores son conforme a las especificaciones de la lista de materiales.
Para probar, conecta una antena (pedazo de cable de 2 a 5 metros) y la conexión a tierra, ajustando CV y P1 para la mejor recepción.
Lista de materiales
CI-1 - TDA7052 - circuito integrado
D1 - 1N34 o equivalente - diodo de germanio
L1, L2 - Bobinas - ver texto
CV - capacitor variable - ver texto
S1 - Interruptor simple
B1 - 3 o 6 V - 2 o 4 pilas pequeñas
FTE - 4 ó 8 ohms - altavoz pequeño
P1 - 47 k ohms - potenciómetro
C1 - 100 nF - capacitor de cerámica
C2 - 470 pF - capacitor de cerámica
C3 - 100 uF x 6 V o más - capacitor electrolítico
Varios:
Placa de circuito impreso, caja para montaje, soporte de pilas, hilos, soldadura, etc.





