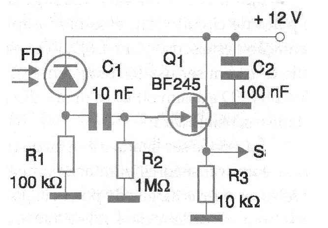
R1 se puede cambiar, dependiendo de la sensibilidad deseada y el sensor debe tener caracterÃsticas ópticas como una lente convergente. Los FET equivalentes como el MPF102 se pueden utilizar y el cable de salida debe ser blindado.
   La alimentación se puede hacer con tensiones a partir de 9 V. En la figura 1 tenemos el diagrama completo del receptor.
Â
  Â
En la figura 2 tenemos la placa de circuito impreso para el montaje.
Â

  Â
En el montaje tenga cuidado con el manejo del FET y observe la posición del sensor.
   Lista de material
Q1 – BF245 – transistor de efecto de campo (JFET)
FD – Foto-diodo o foto-transistor
R1 – 100 k x 1/8 W – resistor
R2 – 1M x 1/8 W – resistor
R3 – 10 k x 1/8 W – resistor
C1 – 10 nF – poliéster o cerâmico
C2 – 100 nF – poliéster o cerâmico
Vários:
Placa de circuito impresso, hilos, soldadura, fuente de alimentación, etc.
Â




