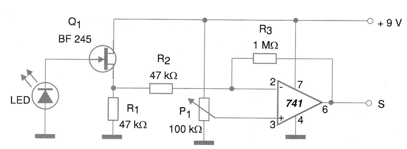
A falta de un foto-transistor o de una foto-diodo en una aplicación de emergencia o incluso para solucionar un pequeño problema de optoelectrónica, un LED común se puede utilizar como sensor de imagen sensible. El circuito de la figura 1 muestra cómo hacerlo.
P1 ajusta el punto de disparo o de conducción del transistor. El sensor es un LED común y la respuesta de frecuencia para el color de la luz depende del tipo de LED utilizado.
La ganancia del circuito es dada por R3 que puede aumentarse hasta 4,7 M ohmios para obtener el máximo, sin problemas de inestabilidad.
La fuente de alimentación no necesita ser simétrica y los transistores de efecto de campo de unión equivalentes se pueden utilizar, así como amplificadores operativos. La respuesta de frecuencia de este circuito es del orden de algunas decenas de kilohercios.
En la figura 2 tenemos una sugerencia de placa de circuito impreso para implementación de este sensor con LED. Los recursos ópticos se deben utilizar para concentrar la luz en el LED y así obtener mayor directividad y sensibilidad.
La salida se puede conectar a pasos de potencia con transistores para el accionamiento de relés u otras cargas de potencia. Esta salida será del orden de 1 a 2 V en el nivel bajo y de 7 a 8 V en el nivel alto, según la iluminación del LED.
LISTA DE MATERIAL
CI-1 - 741 o equivalente - amplificador operativo
Q1 - BF245 - transistores de efecto de campo de unión (JFET)
LED - LED común de cualquier color - ver texto
R1, R2 - 47 k ohms x 1/8 W - resistores
R3 - 1 M ohms x 1/8 W - resistor
P1 - 1000 k ohms - trimpot
Varios:
Placa de circuito impreso, hilos, soldadura, etc.





