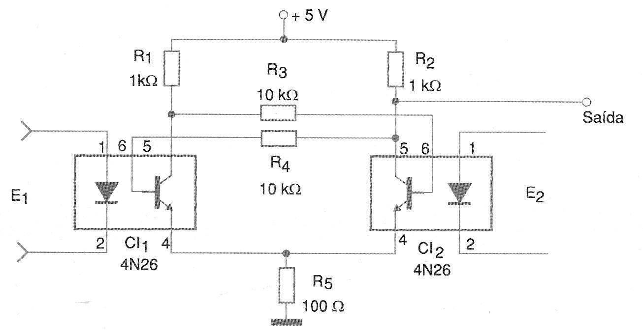
Este circuito también puede ser implementado con llaves ópticas para accionamiento desde encoders u otros dispositivos mecánicos. La configuración mostrada en la figura 1 se basa en los conocidos acopladores ópticos 4N25 o equivalentes y tiene salida compatible con la lógica TTL.
El circuito puede ser utilizado como shield siendo controlado por microcontroladores de cualquier tipo, incluso el Arduino.
Se trata de un flip-flop R-S donde las señales aplicadas en los LED de los acopladores deben tener las características necesarias para su excitación. Para excitación con lógica TTL una resistencia de 100 ohms debe ser conectada en serie con los LED emisores.
La alimentación se realiza con tensión de 5 V y la acción de realimentación que traba el circuito viene de los resistores R2 y R3. Estos componentes se deben cambiar si se utilizan otros acopladores para casar con sus características.
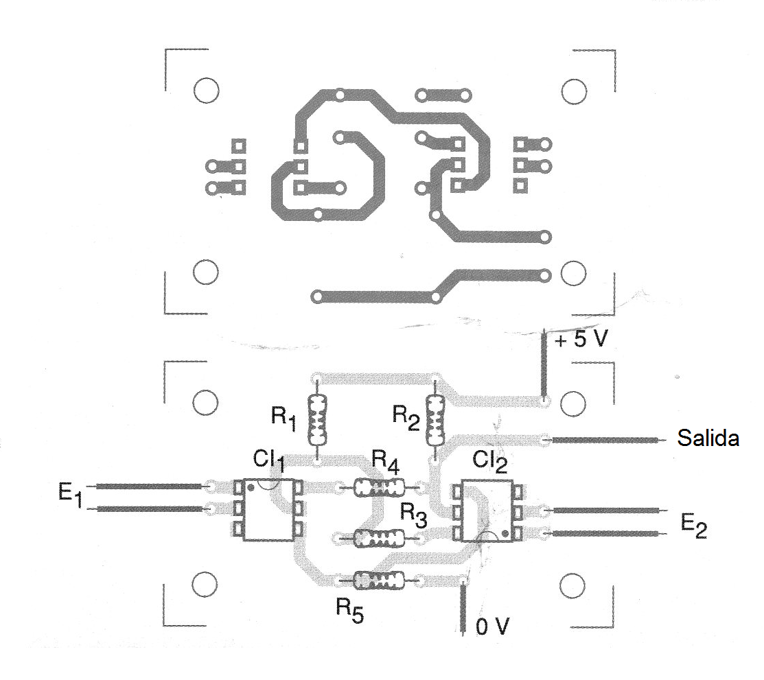
En la figura 2 tenemos una sugerencia de placa de circuito impreso para la implementación de este flip-flop R-S.
LISTA DE MATERIAL
CI-1 - 4N26 o equivalentes - acopladores ópticos
R1, R2 - 1 k ohms x 1/8 W - resistores
R3, R4 - 10 k ohms x 1/8 W - resistores
R5 - 100 ohms x 1/8 W - resistor
Varios:
Placa de circuito impreso, hilos, soldadura, etc.





