Este relé dispara cuando incide la luz en el LDR y así permanece aunque la luz sea un pulso de corta duración. El circuito es extremadamente sensible y puede ser disparado por una linterna a decenas de metros de distancia.
Una aplicación importante de este circuito y como un control remoto que se encendería la luz de un garaje a su llegada bastando para ello dar un guiño en los faros del coche.
Otra aplicación es como alarma con memoria.
El circuito también se puede utilizar para disparar una alarma con un relámpago durante la noche, avisándole de la aproximación de la lluvia.
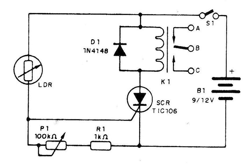
En la figura 1 tenemos el diagrama "completo de este aparato.
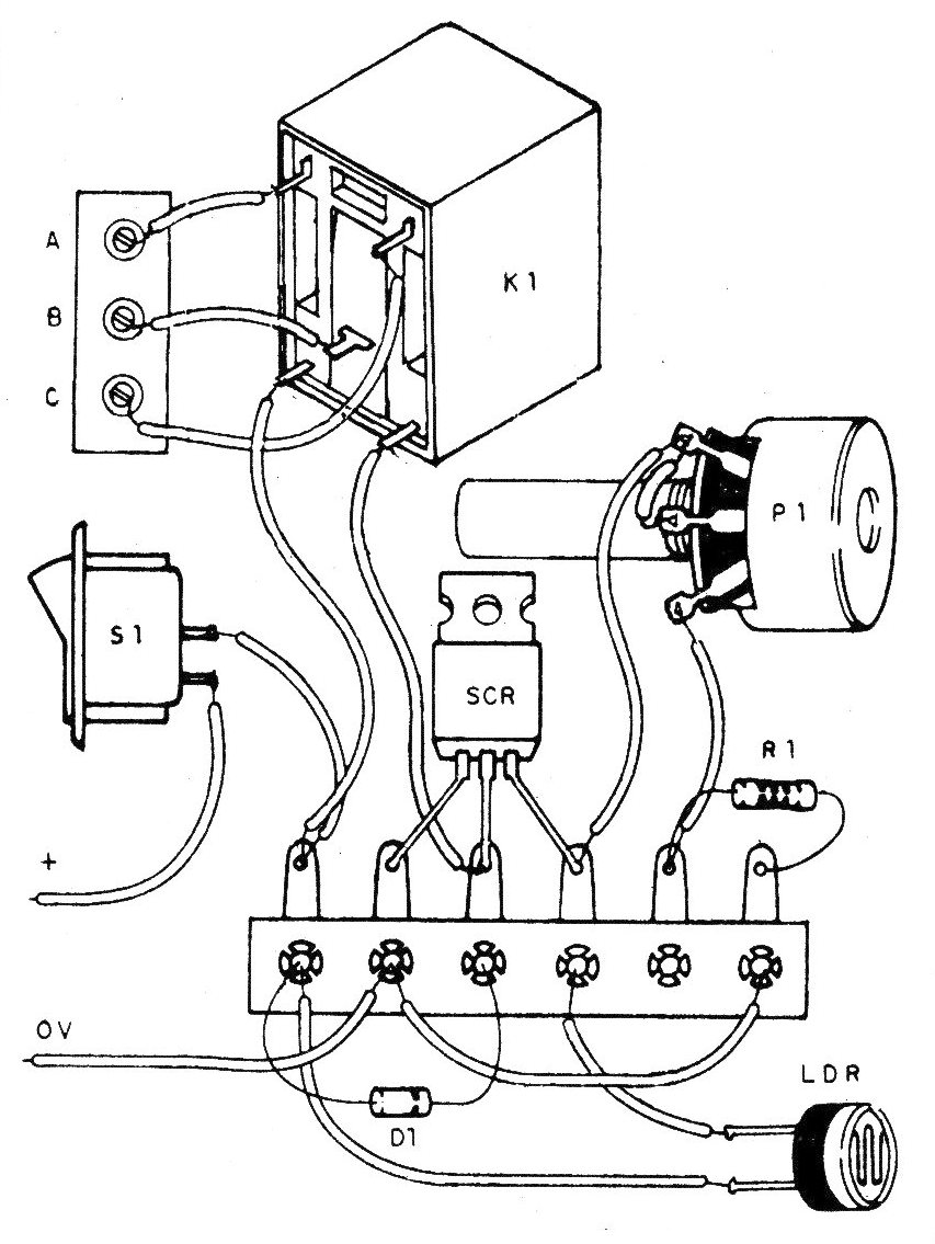
En la figura 2 tenemos la disposición de los componentes en un puente de terminales.
El circuito puede ser alimentado con 9 V caso en que usamos relé de 6 V o con 12 V caso en que el relé es de 12 V.
Para utilizar el aparato ajuste P1 hasta que, como LDR en la oscuridad ocurra el disparo del relé.
Desconecte la alimentación por un momento, vuelva P1 ligeramente en el ajuste y encienda S1 de nuevo.
El relé estará cerca del disparo.
Cualquier pulso sobre el LDR debe disparar y así mantenerlo.
Al montar el LDR en un tubo tendremos mayor sensibilidad.
LISTA DE MATERIAL
SCR - TIC106 o equivalente - cualquier SCR a 50 V o más
D1 - 1N4148 - diodo de silicio de uso general
K1- Relé de 6 o 12 V sensible
LDR - 1 o 2,5 cm - LDR común
P1 - 100 k ohms - trimpot o pote
S1 - interruptor simple
B1 - 9 V o 12 V - fuente o batería
R1 - 1 k ohms x 1/8 W - resistor (marrón, negro, rojo)
Varios: puente de terminales, botón para el potenciómetro, caja para montaje, hilos, soldadura, etc.





