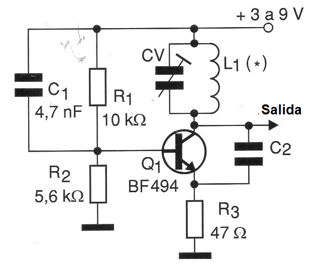
Con el circuito presentado en la figura 1 podemos generar señales en el rango de 30 a 150 MHz, lo que puede ser muy útil en la prueba y ajuste de receptores, en la determinación de sensibilidad a las interferencias en esa banda por parte de equipos de telecomunicaciones o en un pequeño enlace de datos para el rango de VHF.
La modulación, si es necesaria, puede ser hecha aplicando la señal moduladora en la base o emisor del transistor, conforme su amplitud.
La frecuencia de funcionamiento depende de la bobina que se puede enrollar con hilo esmaltado de 18 a 22 AWG en forma de 1 cm de diámetro sin núcleo según la siguiente tabla:
Rango de frecuencia Número de espiras C2
30 - 50 MHz 7 a 10 22 pF
50 a 80 MHz 4 a 6 10 pF
80 a 120 MHz 3 a 4 4,7 pF
120 a 150 MHz 1 a 2 1 a 2 pF
Observe que el valor de C2 también depende del rango de frecuencias.
El transistor puede ser el BF494 o equivalentes y todos los capacitores deben ser cerámicos de buena calidad. Para el ajuste fino de frecuencias el trimmer puede tener valores entre 5 y 20 pF de capacitancia máxima.
En la figura 2 tenemos una sugerencia de placa de circuito impreso para el montaje de ese circuito.
LISTA DE MATERIAL
Q1 - BF494 o equivalente - transistores NPN de RF
R1 - 10 k ohms x 1/8 W - resistor - marrón, negro, naranja
R2 - 5,6 k ohms x 1/8 W - resistor - verde, azul, rojo
R3 - 47 ohms x 1/8 W - resistor - amarillo, violeta, negro
C1 - 4,7 nF - capacitor de cerámica
C2 - 1 a 10 pF - ver texto
CV - trimmer de 5 a 20 pF de capacitancia máxima
L1 - Bobina - ver el texto
Varios:
Placa de circuito impreso, hilos, soldadura, etc.





