Esta configuración siempre aparece en proyectos o aplicaciones en que se tiene una fuente de señal demasiado débil para excitar directamente la entrada de un amplificador. Así, micrófonos, cápsulas de guitarra o guitarras y radios experimentales pueden conectarse a un amplificador sin problemas, utilizando la entrada AUX (auxiliar).
El circuito utiliza sólo un transistor PNP de uso general como, por ejemplo, el BC558 o BC559, y se alimenta con cuatro pilas pequeñas, o incluso una batería de 9 V, ya que su consumo es bajo. El circuito tiene su ganancia determinada por R2 que, eventualmente debe ser alterado para no generar distorsión, según la fuente de señal. El circuito completo del pre se muestra en la figura 1.
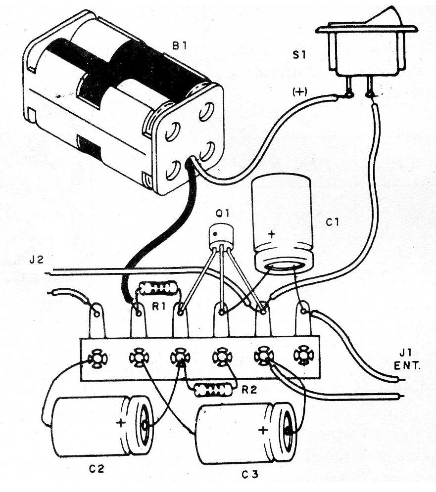
El montaje puede realizarse utilizando un puente de terminales. Si la caja no es de metal, para servir de blindaje, los cables de entrada y salida de señal deben ser blindados. En la figura 2 mostramos el montaje en puente de terminales.
El circuito opera con 100 mV a 1 V de amplitud para las señales de entrada.
Lista de material
Q1- BC558 o cualquier NPN de uso general
S1 - Interruptor simple
B1 - 6 o 9 V - 4 pilas o batería
J1, J2- Jaques de entrada
C1, C2 - 10 uF x 12 V o más - capacitores electrolíticos
C3 - 100 uF x 12 V o más - capacitor electrolítico
R1 - 10 k ohms x 1/8 W - resistor - marrón, negro, naranja
R2 - 150 k ohms x 1/8 W - resistor - marrón, verde, amarillo
Varios: puente de terminales, caja para montaje, soporte de pilas o conector de batería, hilos, soldadura, etc.





