Pequeños convertidores pueden ayudar a obtener altas tensiones a partir de pilas o baterías. Si bien los inversores (impulsores) que son fuentes elevadoras integradas son mucho más eficientes en la conversión de energía y por eso preferidos en las aplicaciones modernas, las versiones tradicionales analógicas todavía pueden ser usadas para resolver problemas prácticos inmediatos o que no exijan altos rendimientos.
Un caso de aplicación es la sustitución de baterías de 22,5 V usadas en algunos tipos de multímetros y otros instrumentos de laboratorio más antiguos que, además de muy caras, son difíciles de encontrar.
Recientemente recibimos pedidos de lectores para publicar este tipo de fuente.
Otra aplicación es en la alimentación de tubos Geiger y algunos otros tipos de transductores que necesitan altas tensiones bajo régimen de baja corriente.
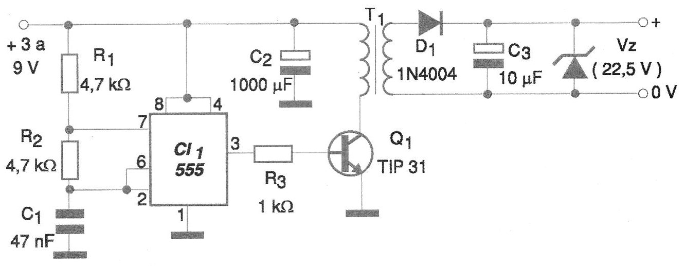
En la figura 1 tenemos entonces el diagrama de nuestra fuente.
El transformador determinará la tensión obtenida en el secundario, pudiendo ser enrollado experimentalmente con el uso de un núcleo de ferrita.
Este núcleo se puede aprovechar de una vieja fuente de computadora que ya no funciona.
Enrolle entonces el primario con 60 vueltas de alambre esmaltado 28 AWG y después, usando cable 32 AWG enrolle el número de espiras necesario para obtener la tensión que desea.
Por ejemplo, si desea algo alrededor de 22,5 V a partir de 4 pilas (6 V) enrole 22/6 x 60 = 220 espiras.
Es necesario observar que la forma de onda que el circuito genera no es perfectamente senoidal, lo que significa que el secundario podrá tener picos mucho mayores que los 22,5 V.
El lector podrá hacer experimentos con otras relaciones de espiras para obtener el mejor rendimiento para su fuente.
Para obtener tensiones muy altas se puede utilizar un transformador de salida horizontal (fly back) de TV o monitor de vídeo que, en algunos casos ya contiene un triplicador.
Se debe buscar un tipo que tenga el núcleo expuesto para que sea posible enrollar el devanado primario.
Así, después de la rectificación es necesario filtrar y regular esa tensión con un zener o un CI. En nuestro ejemplo, para 22,5 V, usamos un zener de 1 W.
En la figura 2 tenemos una sugerencia de placa de circuito impreso para el montaje de esa fuente de alta tensión.
Los resistores R1 y R2 así como C1 pueden tener sus valores alterados experimentalmente para obtener el mejor rendimiento del circuito.
El transistor de potencia debe estar dotado de un radiador de calor.
Lista de material
CI-1 - 555 - circuito integrado
Q1 - BD135 o TIP31- transistores NPN de media potencia
Z1 - Zener según la tensión de salida
D1 - 1N4004 - diodo rectificador
T1 - Transformador elevador de tensión - ver texto
R1, R2 - 4,7 k ohms x 1/8 W - resistor
R3 - 1 k ohms x 1/8 W - resistor
C1 - 47 nF - capacitor de poliéster
C2 - 1 000 uF x 12 V - capacitor electrolítico
C3 - 10 uF - capacitor electrolítico
Varios:
Placa de circuito impreso, radiador de calor para el transistor, caja para montaje, hilos, soldadura, etc.





