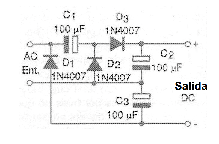
El circuito mostrado en la figura 1 es común en muchos equipos electrónicos de consumo.
Genera, a partir de la red de 110 V una tensión de salida que corresponde a aproximadamente 450 V sin carga.
Este valor corresponde aproximadamente al triple de la tensión de pico de la entrada.
La corriente máxima depende de los valores de los capacitores y está en torno a algunas decenas de miliamperios.
A medida que más corriente sea requerida del circuito, su tensión cae proporcionalmente.
Los capacitores deben tener una tensión de trabajo de al menos 2 veces la tensión de entrada.
Los diodos pueden ser los 1N4007 o equivalentes.
Observe que este circuito no está aislado de la red de energía y por este motivo cualquier contacto con sus partes es peligroso.
En la figura 2 tenemos una sugerencia de placa de circuito impreso para implementación de este triplicador de tensión.
LISTA DE MATERIAL
D1 a D3 - 1N4007 - diodos de silicio
C1 a C3 - 100 uF x 250 V - capacitores electrolíticos
Varios:
Cable de entrada, placa de circuito impreso, hilos, soldadura, etc.





