Con este circuito es posible magnetizar herramientas y objetos de acero, a partir de la aplicación de un fuerte campo magnético de una bobina. Las llaves de ranuras y otras herramientas magnetizadas se pueden utilizar para atraer pequeños tornillos que caen en lugares difíciles.
El circuito consiste en una fuente que carga un banco de capacitores y luego los descarga a través de una bobina en el interior de la cual se coloca el objeto que va a ser magnetizado.
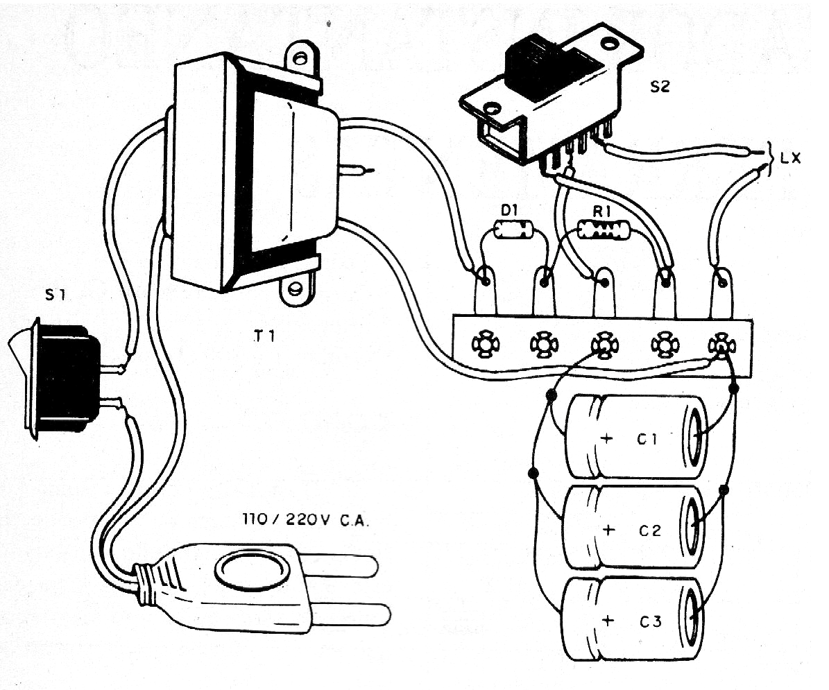
La bobina puede ser un carrete de transformador, utilizando el enrollamiento de baja tensión de 5 a 12 V con corriente de 300 mA a 1 A. La baja resistencia de estos devanados generan un campo magnético fuerte en la descarga del transformador.
En la figura 1 tenemos el diagrama en que se utilizan 3 capacitores en paralelo. En realidad se puede utilizar un solo con un valor mayor como 3 300 uF o incluso 4 700 uF.
En la figura 2 tenemos el aspecto del montaje que utiliza un pequeño puente de terminales.
Para usar, pase la llave S2 a la posición A y espere unos segundos para que los condensadores carguen. Coloque el objeto a ser magnetizado en la bobina y pase la llave a la posición. Se produce la descarga. Repita la operación algunas veces para que el objeto se magnetice.
Si esto no ocurre, es señal de que el objeto es de un metal que no puede ser magnetizado.
Una opción interesante para magnetizar es enrollar unas 50 vueltas de hilo común en la herramienta y luego conectar esa bobina al circuito como X1.
Lista de material
D1 - 1N4002 - diodo de silicio
R1 - 470 ohms x ½ W - resistor - amarillo, violeta, marrón
T1 - Transformador de 12 + 12 V x 100 mA o más
C1, C2, C3 - 1 000 uF x 35 V - capacitores electrolíticos
S1 - Interruptor simple
S2- Llave de 1 polo x 2 posiciones o 2 x 2
L1 - Bobina magnetizadora - ver texto
Varios: puente de terminales, cable de fuerza, hilos, soldadura, etc.





