Este oscilador puede servir de base para proyectos experimentales de transmisores o aún como un inyector de señales. Con una pequeña antena puede enviar sus señales a un receptor colocado a una distancia de unos metros.
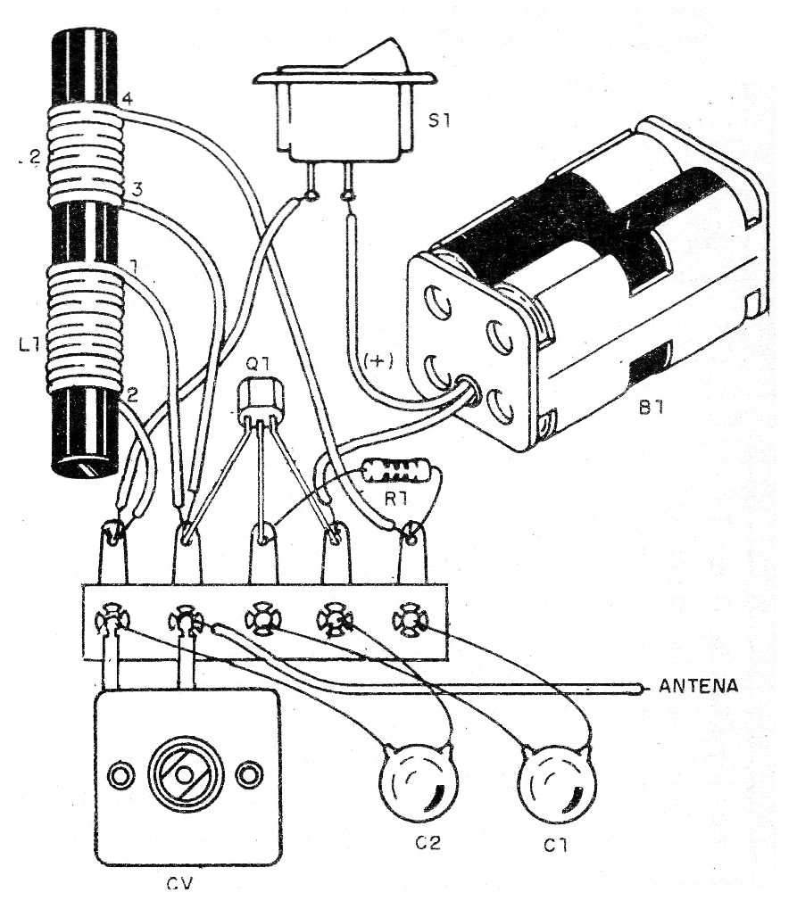
El circuito es alimentado por tensiones de 6 a 9 V obtenidas de pilas, fuente o batería. Los componentes son comunes. La bobina consiste en una bobina con 100 espiras de hilo de 26 a 30 AWG en un bastón de ferrita que resulta en el devanado con terminales y 1 y 2 en el diagrama y, al lado, una bobina con 30 espiras del mismo hilo, resultando en los devanados con terminales 3 y 4.
El capacitor variable se puede obtener en cualquier radio AM fuera de uso. El circuito completo del oscilador se muestra en la figura 1.
En la figura 2 tenemos el montaje usando un puente de terminales.
Para probar conecte cerca un receptor de onda corta e intente sintonizar el oscilador para oír su señal. Si no se mueve, invierte las conexiones de los hilos 1 y 2 de la bobina.
Lista de material
Q1- BC548 - transistores NPN de uso general
L1, L2 - Bobinas - ver texto
CV - capacitor variable - ver texto
S1 - Interruptor simple
B1 - 6 a 9 V - pilas, batería o fuente
R1 - 10 k ohms x 1/8 W - resistor - marrón, negro, naranja
C1 - 220 pF - capacitor de cerámica
C2 - 100 nF - capacitor de cerámica
Varios: puente de terminales, soporte de pilas fuente o conector de batería, bastón de ferrita, hilos esmaltados, etc.





