La solución analógica simple mostrada en la figura 1 permite monitorear la frecuencia de la red de energía usando un instrumento analógico de bajo costo.
El circuito puede ser calibrado para tener en la banda central frecuencias de 50 o 60 Hz y la alimentación se realiza directamente a partir de la red de energía.
El diodo zener es de 400 mW y el capacitor C1 debe ser de poliéster con al menos 100 V de tensión de trabajo.
El ajuste de la escala se realiza en P1 que consiste en un potenciómetro de hilo con al menos 3 W de disipación.
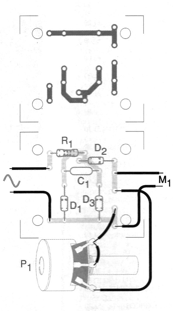
En la figura 2 tenemos una sugerencia de placa de circuito impreso para implementar este frecuencímetro.

LISTA DE MATERIAL
D1 - 6,8 V x 400 mW - diodo zener
D2, D3 - 1N4148 - diodos de uso general
R1 - 100 k ohms x 2 W - resistor
C1 - 220 nF - capacitor de poliéster
P1 - Potenciómetro de hilo de 5 k ohmios x 3 W
M1 - Microamperímetro de 100 uA de fondo de escala
Varios:
Placa de circuito impreso, caja para montaje, hilos, soldadura, etc.




