Es un interesante proyecto para ferias de ciencias o aún como base para un trabajo escolar, o aún una experiencia diferente para los lectores que les gusta investigar formas alternativas de energía.
Describimos el montaje de una radio que necesita sólo 0,5 V para funcionar, tensión que se puede obtener de una pila experimental de agua y sal, una célula solar de calculadora u otros generadores simples.
Evidentemente, cuanto mayor sea la tensión suministrada por el generador, mayor será la sensibilidad del receptor.
Sin embargo, como usamos sólo un transistor amplificador, sólo puede captar las estaciones cercanas o fuertes y, sin embargo, requiere el uso de una buena antena y una conexión a tierra.
Lo interesante es que este proyecto recuerda un poco a los antiguos radios de galena, que necesitaban enormes antenas para captar el máximo de energía de las estaciones y aún así el sonido era bajo, exigiendo el uso de auriculares.
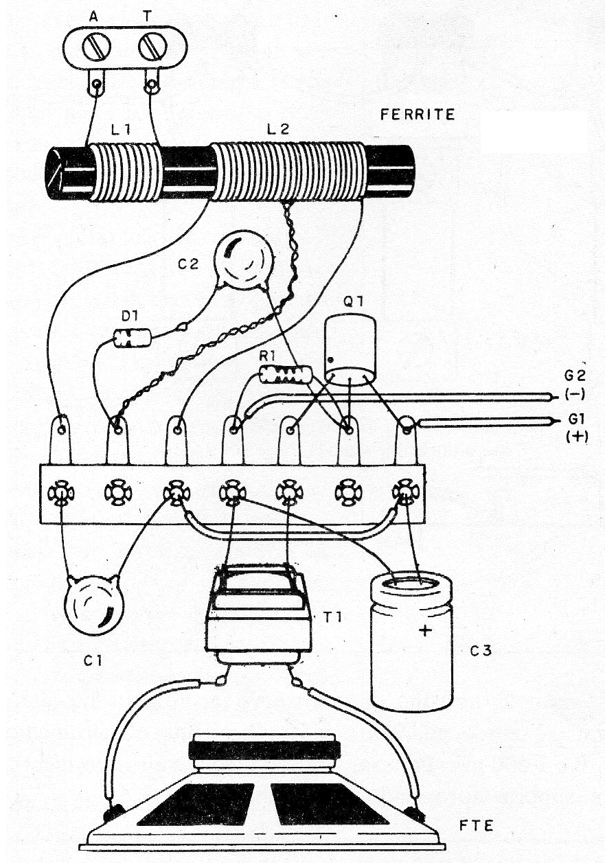
En la figura 1 tenemos el diagrama completo del receptor. Los componentes se pueden soldar en un puente de terminales, como se muestra en la figura 2.
Las bobinas L1 y L2 se deben enrollar en un tubo de cartón, dentro del cual deslizará un bastón de ferrita a la sintonía. L1 consta de 20 espiras de alambre esmaltado 28 y L2 por 30 + 70 espiras del mismo hilo. El diodo debe ser de germanio.
El transistor debe ser un PNP de germanio de radio transistorizado antiguo como el 2SB75, 2SB54, etc. El circuito puede funcionar con un PNP moderno, como el BC558, pero requerirá mayor tensión.
El transformador T1 es del tipo de salida encontrado en radios transistorizadas antiguas. Puede ser aprovechado de una radio antigua fuera de uso. El altavoz puede ser de cualquier tipo.
Vea en este sitio fuentes alternativas de energía que pueden slir esta radio.
Lista de material
Q1- Transistores PNP de germanio
D1 - 1N34 - diodo de germanio
L1, L2- bobinas- ver texto
C1- 100 pF-capacitor cerámico
C2 - 100 nF - capacitor de cerámica o poliéster
C3 - 100 uF - capacitor electrolítico para 6 V o más
T1 - Transformador de salida, ver texto
FTE - 8 ohms - altavoz pequeño
R1 - 1 M ohms x 1/8 W - resistor - marrón, negro, verde
Varios:
Puente de terminales, caja para montaje, bastón de ferrita, células experimental, hilos, soldadura, etc.





