Este simple circuito puede medir temperaturas con cierta precisión, dependiendo sólo de cómo se realice su calibración. Con base en un termómetro podemos tener una escala de -40º C a + 125º C.
El sensor es un diodo común de silicio que puede tener una conexión larga hasta el aparato, permitiendo así la medida remota de temperaturas.
El aparato es alimentado por 4 pilas pequeñas o baterías de 9 V y el accionamiento se hace sólo en el momento de la lectura lo que extiende en mucho la durabilidad de la fuente de energía.
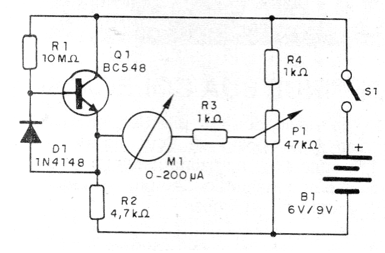
Se utilizan componentes comunes y en la figura 1 tenemos el diagrama completo del aparato.
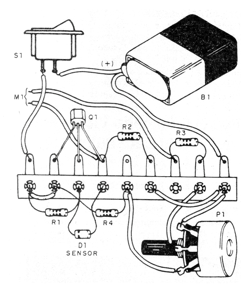
En la figura 2 tenemos el montaje en un puente de terminales.
Lista de materiales:
Q1 - BC548 - transistores NPN de uso general
D1- 1N4148 - diodo común de silicio
M1- 0-1200 uA - microamperímetro
S1 - Interruptor simple
P1 - 47 k ohms - pote o trimpot
B1- 6 o 9 V - pilas o batería
R1- 10 M ohms - resistor, marrón, negro, azul
R2 - 4k7 - resistor - amarillo, violeta, rojo
R3, R4 - 1 k ohms - resistores - marrón, negro, rojo
Varios:
Soporte de pilas o conector de batería, puente de terminales, caja para montaje, hilos, soldadura, etc.





